EasyManua.ls Logo

Parker Hyperchill Plus-E ICEP 080E - Page 313

Parker Hyperchill Plus-E ICEP 080E
Print Icon
To Next Page IconTo Next Page
To Next Page IconTo Next Page
To Previous Page IconTo Previous Page
To Previous Page IconTo Previous Page
Loading...
29
,
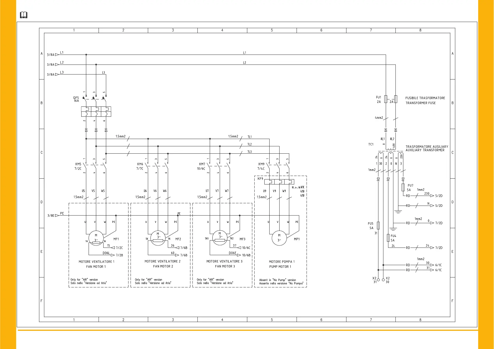
7.9 Wiring diagram (standard)
ICEP080E-ICEP120E
(Sheet 4 of 15)

Table of Contents

Related product manuals