EasyManua.ls Logo

Parker Hyperchill Plus-E ICEP 080E - Page 345

Parker Hyperchill Plus-E ICEP 080E
Print Icon
To Next Page IconTo Next Page
To Next Page IconTo Next Page
To Previous Page IconTo Previous Page
To Previous Page IconTo Previous Page
Loading...
61
,
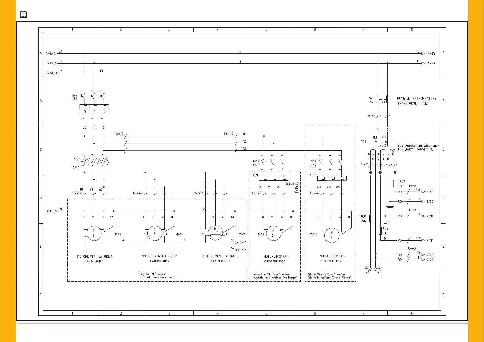
Wiring diagram - With Fan speed option
ICEP080E-ICEP120E
(Sheet 4 of 16)

Table of Contents

Related product manuals