EasyManua.ls Logo

Perkins M216C - Page 27

Perkins M216C
220 pages
Print Icon
To Next Page IconTo Next Page
To Next Page IconTo Next Page
To Previous Page IconTo Previous Page
To Previous Page IconTo Previous Page
Loading...
KENR9126 27
Troubleshooting Section
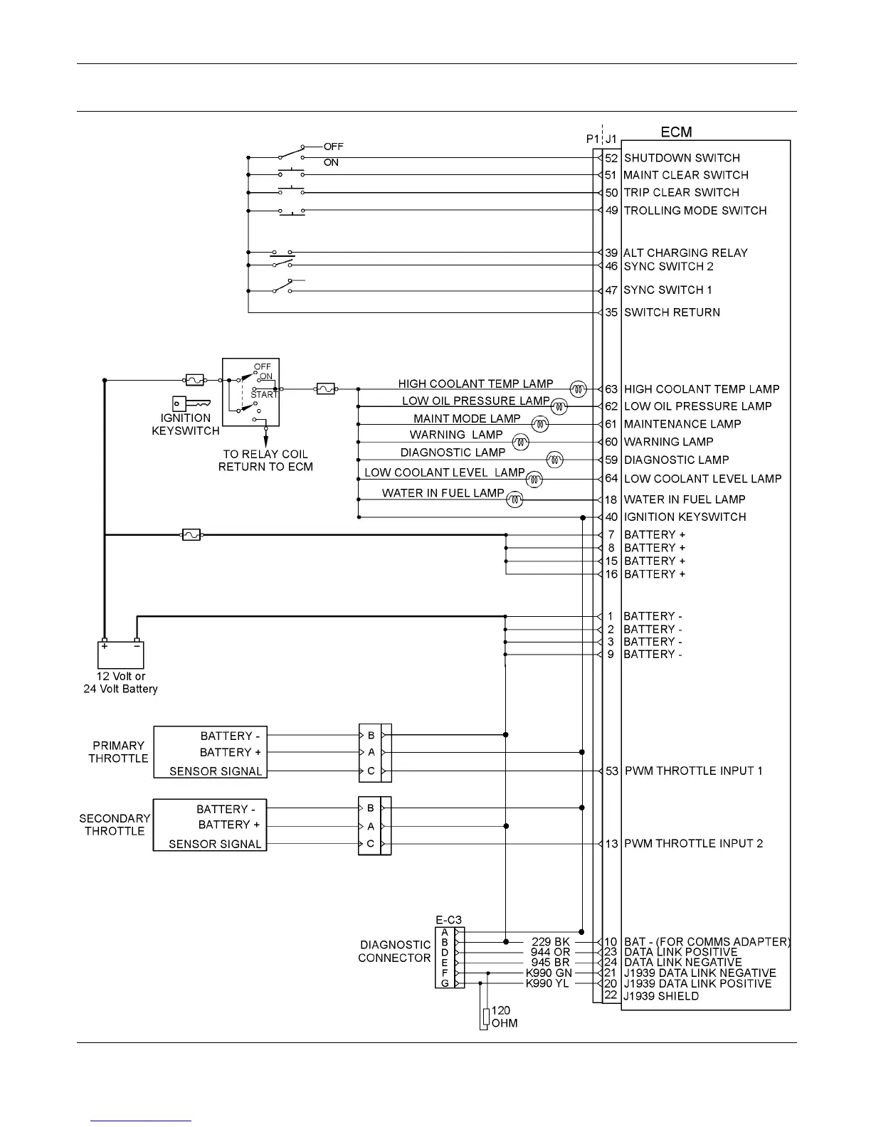
g02196694
Illustration 10
Schematic Diagram for the application

Table of Contents

Other manuals for Perkins M216C

Related product manuals