EasyManua.ls Logo

Philips VR550 - Page 42

Philips VR550
90 pages
Print Icon
To Next Page IconTo Next Page
To Next Page IconTo Next Page
To Previous Page IconTo Previous Page
To Previous Page IconTo Previous Page
Loading...
1-10-27
1-10-28
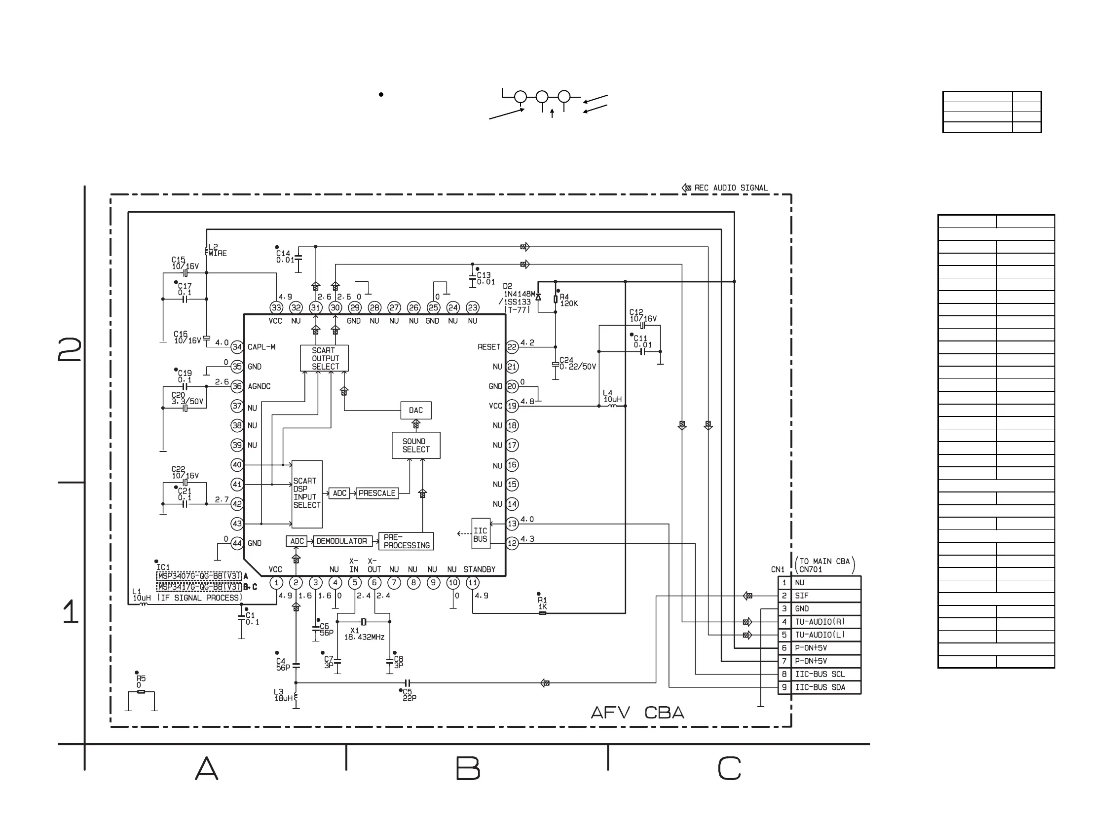
AFV Schematic Diagram
HG470SCAFV
THE SAME VOLTAGE FOR
BOTH PLAY & REC MODES.
INDICATES THAT THE VOLTAGE
IS NOT CONSISTENT HERE.
MODE: SP/REC
PLAY MODE
REC MODE
1
2
3
5.0
5.0
(2.5)
~
ā€œ ā€œ = SMD
Comparison Chart of
Models and Marks
MODEL MARK
VR550/02 A
VR550/07 B
VR550/16 C

Table of Contents

Other manuals for Philips VR550

Related product manuals