EasyManua.ls Logo

Phoenix Contact EV Charge Control Basic - Charging Enabled with Local Release and Charging Current Reduction

Phoenix Contact EV Charge Control Basic
70 pages
Print Icon
To Next Page IconTo Next Page
To Next Page IconTo Next Page
To Previous Page IconTo Previous Page
To Previous Page IconTo Previous Page
Loading...
Connection examples
106377_en_04 PHOENIX CONTACT 37 / 68
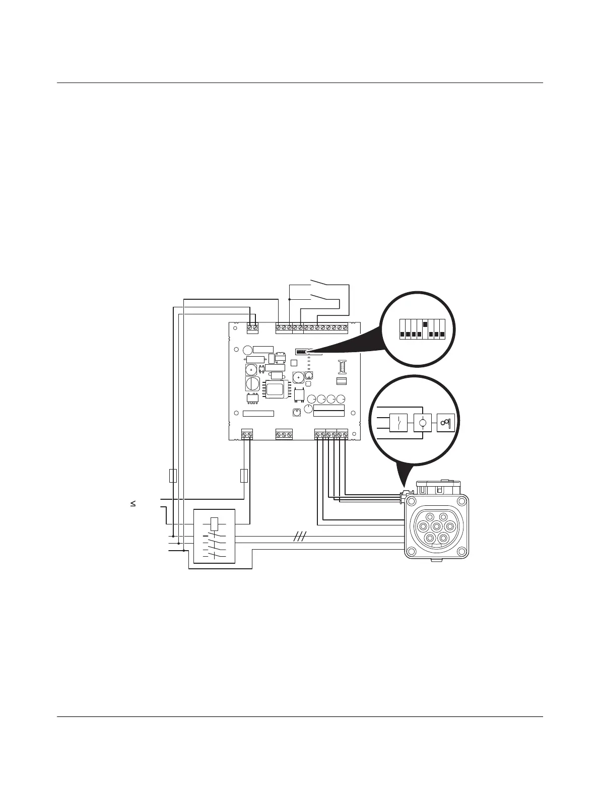
7.3 Charging enabled with local release and charging
current reduction
Figure 7-3 Connection example 3
S1/DIP 1 = OFF Charging station with Infrastructure Socket Outlet
S1/DIP 5 = ON Charging current preset to 32 A
Locking is carried out if the vehicle is detected at the charging station.
The charging process starts if locking is detected, switch k1 is closed, and status C is
present.
If switch k2 is closed, the charging current (PWM signal) is reduced during this time
(see Table 2-3 on page 13).
L
N
PE
GND
12V
12Va
EN
XR
ML
CCR
IN
OUT
ERR
CHG
CON
C1
C2
A
B
SG
CP
PP
L1D
L2D
L0+
L0-
IO
Relay
R 485S
Outlet
Power
PWR
S1 S2
CON
ERR
CHR
M
RD
GN
YE
BN
N
PE
L, L1-L3
230 V
1
3 5
24
6
1A
2A
7
8
k1
k2
1
32 A
S1
0
EV-CC-AC1-M3-CBC-...,
connection of case B
EV-T2M3SE12-3AC...

Table of Contents

Related product manuals