EasyManua.ls Logo

PIAGGIO 633823 - Page 330

PIAGGIO 633823
336 pages
Print Icon
To Next Page IconTo Next Page
To Next Page IconTo Next Page
To Previous Page IconTo Previous Page
To Previous Page IconTo Previous Page
Loading...
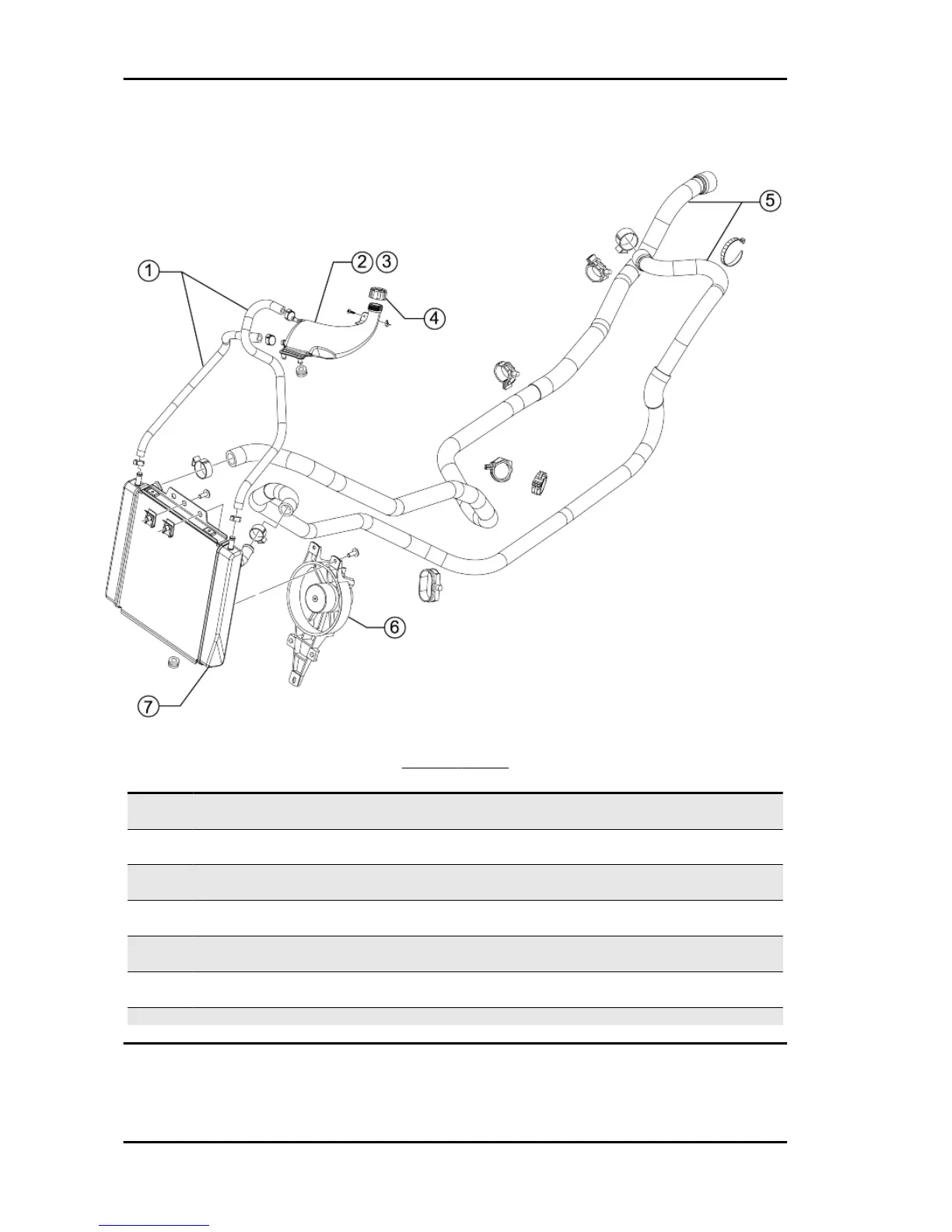
Cooling system
COOLING SYSTEM
Code Action Duration
1 007013 Radiator expansion tank con-
nection pipe - Replacement
2 001052 Coolant and air bleed - Re-
placement
3 007001 Expansion tank - Replace-
ment
4 007024 Expansion tank cap - Re-
placement
5 007003 Coolant delivery and return
pipe - Replacement
6 007016 Fan with support - Replace-
ment
7 007002 Water radiator - replacement
Time MP3 250 i.e.
TIME - 46

Table of Contents

Related product manuals