EasyManua.ls Logo

Pioneer XV-E51 - Page 25

Pioneer XV-E51
126 pages
Print Icon
To Next Page IconTo Next Page
To Next Page IconTo Next Page
To Previous Page IconTo Previous Page
To Previous Page IconTo Previous Page
Loading...
XV-EV51
25
5 678
56
7
8
C
D
F
A
B
E
A
L201
ATE7003
CN5701
B
CN201
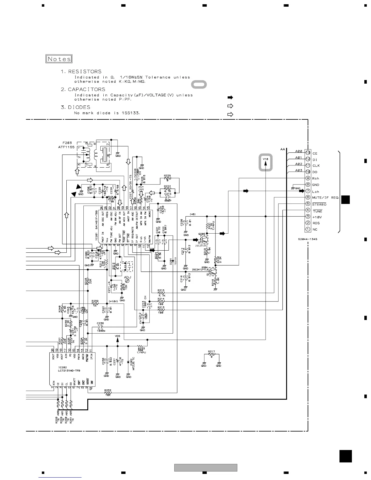
: AUDIO SIGNAL ROUTE (TUNER)
(TX)
: AM SIGNAL ROUTE
(AM)
: FM SIGNAL ROUTE
(FM)
(AM)
(AM)
(FM)
(AM)
(AM)
(AM)
(AM)
(AM)
(AM)
(FM)
(AM)
(FM)
(TX)
(TX)
(TX)
(TX)
(TX)
(FM)
: The power supply is shown with the marked box.

Related product manuals