EasyManua.ls Logo

Pioneer XV-E51 - Deck Assy

Pioneer XV-E51
126 pages
Print Icon
To Next Page IconTo Next Page
To Next Page IconTo Next Page
To Previous Page IconTo Previous Page
To Previous Page IconTo Previous Page
Loading...
XV-EV51
32
1234
1234
C
D
F
A
B
E
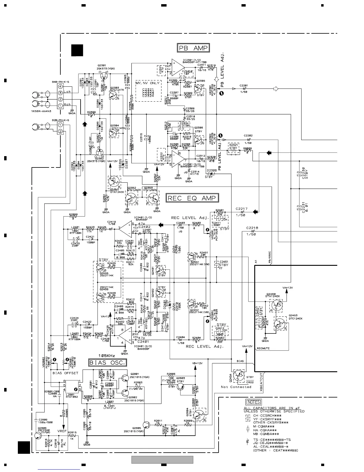
3.7 DECK ASSY
E
DECK ASSY
(XWX3067/XV-EV51)
(XWX3066/XV-EV21)
E
(PB)
(PB)
(REC)
(REC)
(REC)
(REC)
(REC)
CN2301
CN2302

Related product manuals