EasyManua.ls Logo

Pioneer XV-E51 - DVDM Assy(1;2)

Pioneer XV-E51
126 pages
Print Icon
To Next Page IconTo Next Page
To Next Page IconTo Next Page
To Previous Page IconTo Previous Page
To Previous Page IconTo Previous Page
Loading...
XV-EV51
34
1234
1234
C
D
F
A
B
E
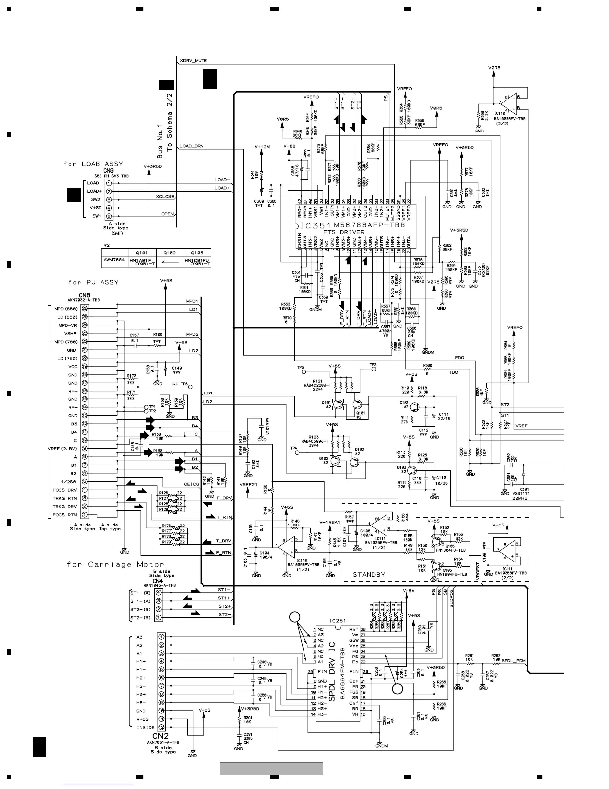
3.8 DVDM ASSY(1/2)
(F)
(F)
(F)
(F)
(T)
(T)
(T)
(T)
(T)
(T)
(T)
(F)
(S)
(S)
(S)
(S)
(S)
(S)
(S)
(S)
(RF)
(RF)
(RF)
(RF)
(RF)
(RF)
2
3
F 1/2
PICKUP ASSY-S
SPINDLE
MOTOR
STEPPING
MOTOR
CN601
D
F 2/2
F 1/2
DVDM ASSY (AWM7684)

Related product manuals