EasyManua.ls Logo

Pioneer XV-E51 - Block Diagrams and Schematics; System Block Diagram

Pioneer XV-E51
126 pages
Print Icon
To Next Page IconTo Next Page
To Next Page IconTo Next Page
To Previous Page IconTo Previous Page
To Previous Page IconTo Previous Page
Loading...
XV-EV51
16
1234
1234
C
D
F
A
B
E
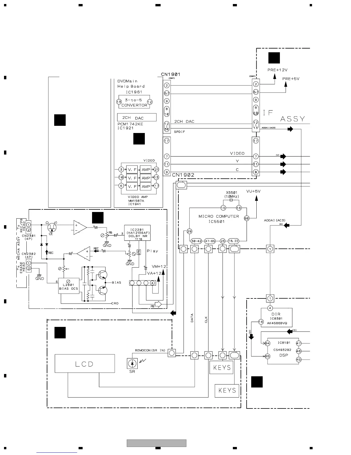
3. BLOCK DIAGRAM AND SCHEMATIC DIAGRAM
3.1 BLOCK DIAGRAM
CN
CN5903
CN5901
EV-51 : PDC093
EV-21 : PDC097
16,17
5,6
5,6
7
73
348
4
8
RECL
PBL
17 16 2
DSP ASSY
XV-EV51 Only
H
DECK ASSY
E
IF ASSY
B
DVDM ASSY
DVD IF ASSY
F
G
DISP1 ASSY
J
(D)
(D)
(V)
(Y)
(C)
3.1.1 SIGNAL ROUTE(1/2)
(REC)
Refer to 3.1.2 SIGNAL ROUTE(2/2)
CN5509
CN5801
CN2506
CN5101

Related product manuals