EasyManua.ls Logo

Pioneer XV-E51 - Fm;Am Tuner Module

Pioneer XV-E51
126 pages
Print Icon
To Next Page IconTo Next Page
To Next Page IconTo Next Page
To Previous Page IconTo Previous Page
To Previous Page IconTo Previous Page
Loading...
XV-EV51
24
1234
1234
C
D
F
A
B
E
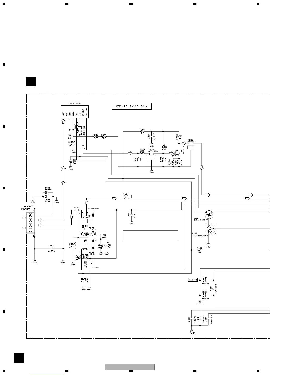
3.3 FM/AM TUNER MODULE
A
FM FRONT END
MW RF TUNING BLOCK
A
OSC : 981 - 2052kHz 9k step
FM/AM TUNER MODULE (AXQ7228)
(AM)
(AM)
(AM)
(AM) (AM)
(AM)
(FM)
(FM) (FM)
(FM)
(FM)
(FM)
(FM) (FM)
(FM)
(FM)

Related product manuals