EasyManua.ls Logo

Pioneer XV-E51 - MIC Assy

Pioneer XV-E51
126 pages
Print Icon
To Next Page IconTo Next Page
To Next Page IconTo Next Page
To Previous Page IconTo Previous Page
To Previous Page IconTo Previous Page
Loading...
XV-EV51
44
1234
1234
C
D
F
A
B
E
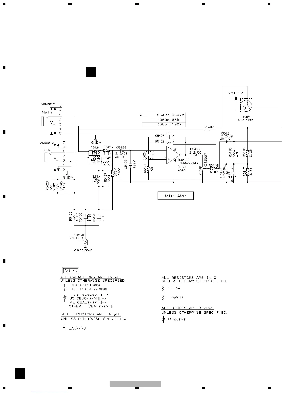
3.13 MIC ASSY
M
EV-51
EV-21
MIC ASSY
(XWZ3626 / XV-EV51)
(XWZ3623 / XV-EV21)
M
JA5401
JA5402

Related product manuals