EasyManua.ls Logo

Pioneer XV-E51 - Page 43

Pioneer XV-E51
126 pages
Print Icon
To Next Page IconTo Next Page
To Next Page IconTo Next Page
To Previous Page IconTo Previous Page
To Previous Page IconTo Previous Page
Loading...
XV-EV51
43
5 678
56
7
8
C
D
F
A
B
E
K
CN5503
B
CN5506
B
CN5504
B
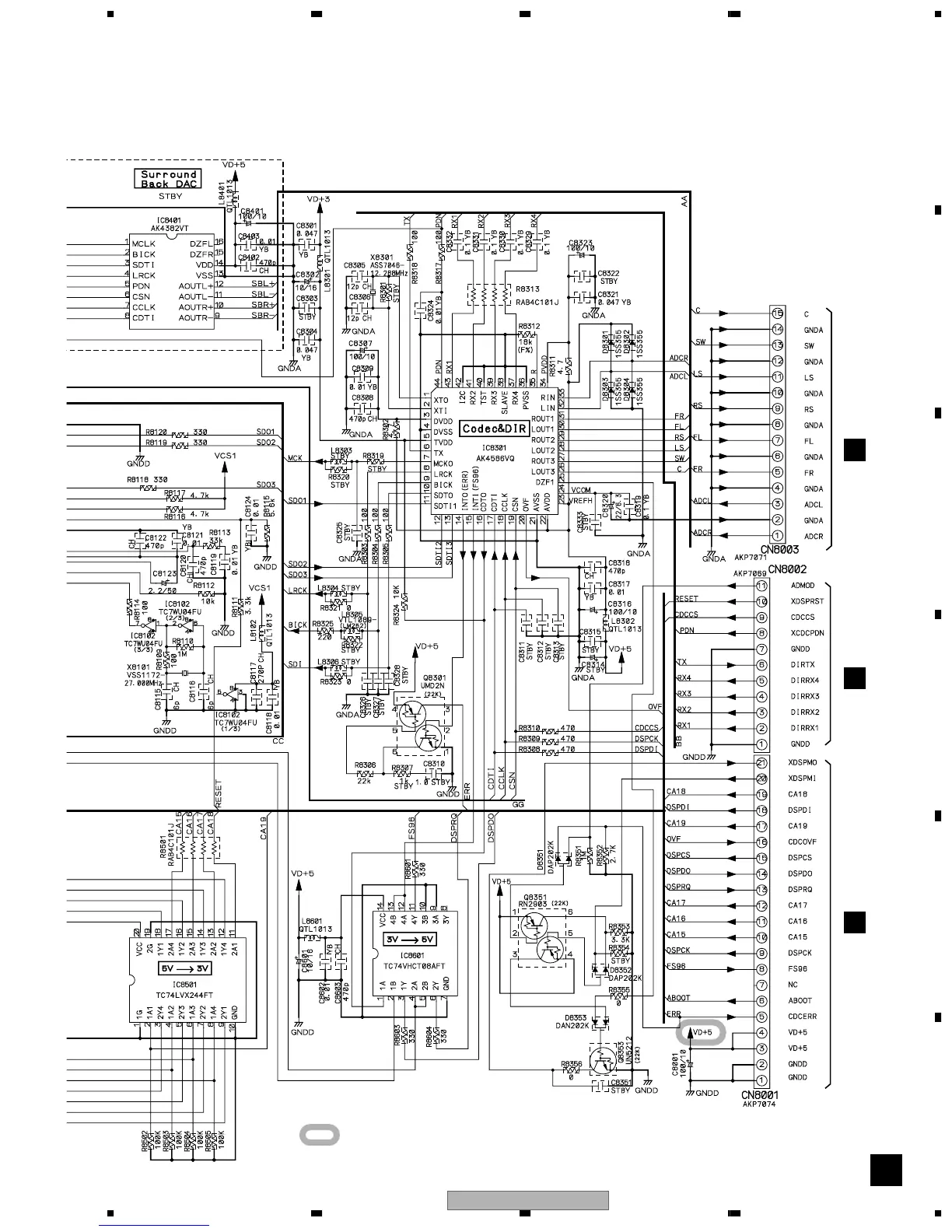
: The power supply is shown with the marked box.

Related product manuals