EasyManua.ls Logo

Pioneer XV-E51 - DVD if Assy

Pioneer XV-E51
126 pages
Print Icon
To Next Page IconTo Next Page
To Next Page IconTo Next Page
To Previous Page IconTo Previous Page
To Previous Page IconTo Previous Page
Loading...
XV-EV51
38
1234
1234
C
D
F
A
B
E
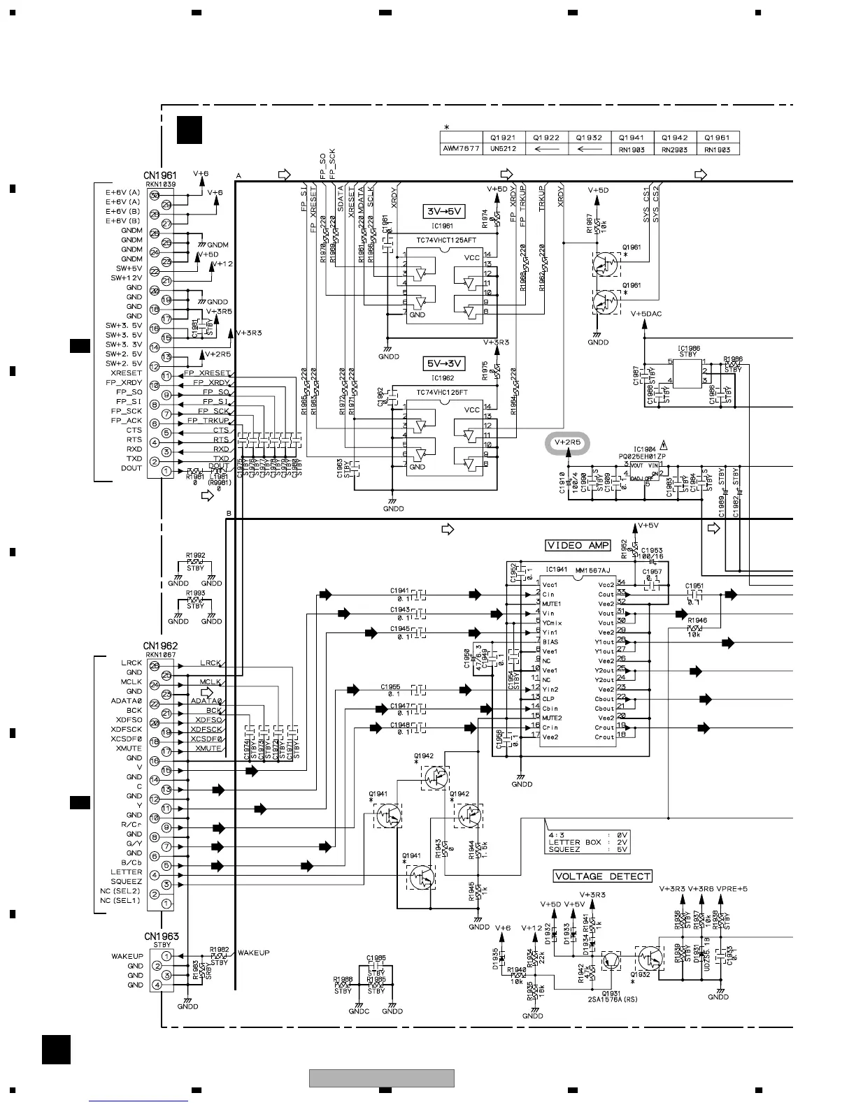
3.10 DVD IF ASSY
G
(D)
(D) (D)
(D)
G
DVD IF ASSY (AWM7677)
CN25
F 2/2
CN21
F 2/2
(V)(V)
(V)
(V)
(B/Cb)
(B/Cb)(B/Cb)
(B/Cb) (B/Cb)
(R/Cr)
(R/Cr)
(R/Cr) (R/Cr)
(G/Y)
(G/Y)(G/Y)
(G/Y)(G/Y)
(S_Y)
(S_Y)(S_Y)
(S_Y)
(S_C)(S_C)
(S_C)
(S_C)

Related product manuals