EasyManua.ls Logo

Pioneer XV-E51 - Page 37

Pioneer XV-E51
126 pages
Print Icon
To Next Page IconTo Next Page
To Next Page IconTo Next Page
To Previous Page IconTo Previous Page
To Previous Page IconTo Previous Page
Loading...
XV-EV51
37
5 678
56
7
8
C
D
F
A
B
E
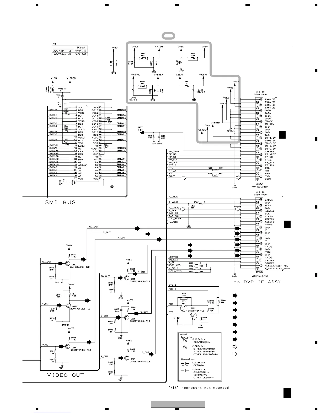
(S_C)
(S_Y)
(R/Cr)
(G/Y)
(B/Cb)
: DATA SIGNAL ROUTE
: S-VIDEO OUT C SIGNAL ROUTE
(V)
: V SIGNAL ROUTE
: S-VIDEO OUT Y SIGNAL ROUTE
: R/Cr SIGNAL ROUTE
: G/Y SIGNAL ROUTE
: B/Cb SIGNAL ROUTE
: AUDIO SIGNAL ROUTE
(D)
: AUDIO (DIGITAL) SIGNAL ROUTE
(D)
(D)
(G/Y)
(G/Y)
(G/Y)
(S_C)
(S_Y)
(R/Cr)
(R/Cr)
(R/Cr)
(V)
(B/Cb)
(V)
(V)
(S_C)
(S_C)
(S_Y)
(S_Y)
(V)
(S_C)
(S_Y)
(B/Cb)
(B/Cb)
(G/Y)
(R/Cr)
(B/Cb)
F 2/2
CN1961
G
CN1962
G
5: Refer to "3.1.3 WAVEFORMS".
: The power supply is shown with the marked box.
IC604
K4S641632F-TC75
64M SDRAM

Related product manuals