EasyManua.ls Logo

Pioneer XV-E51 - MIC Assy

Pioneer XV-E51
126 pages
Print Icon
To Next Page IconTo Next Page
To Next Page IconTo Next Page
To Previous Page IconTo Previous Page
To Previous Page IconTo Previous Page
Loading...
XV-EV51
17
5 678
56
7
8
C
D
F
A
B
E
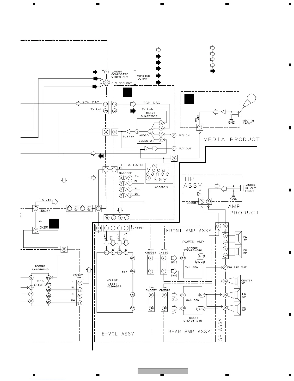
M-EV51
(POWER AMPLIER)
Service Manual
Order No.RRV2663
CN8701
JA5401
CN3002
CN8901
CN5503
CN5501
MIC ASSY
AF ASSY
C
M
FM/AM TUNER
MODULE
A
SIGNAL ROUTE
: PB SIGNAL
: RECORDING SIGNAL
(D)
(PB)
(PB)
(PB)
(PB)
(PB)
(TX)
(REC)
(REC)
: AUDIO SIGNAL (TUNER)
(V)
(V)
(TX)
(TX)
: V SIGNAL VIDEO
(Y)
(Y)
: Y SIGNAL VIDEO
(C)
(C)
: C SIGNAL VIDEO
(SL)
(FL)
: SL AUDIO SIGNAL
: FL AUDIO SIGNAL
: C AUDIO SIGNAL
(SW)
(C)
: SW AUDIO SIGNAL
: DIGITAL AUDIO ROUTE
J5401
CN8101
CN5504
CN8301

Related product manuals