EasyManua.ls Logo

Pioneer XV-E51 - Page 18

Pioneer XV-E51
126 pages
Print Icon
To Next Page IconTo Next Page
To Next Page IconTo Next Page
To Previous Page IconTo Previous Page
To Previous Page IconTo Previous Page
Loading...
XV-EV51
18
1234
1234
C
D
F
A
B
E
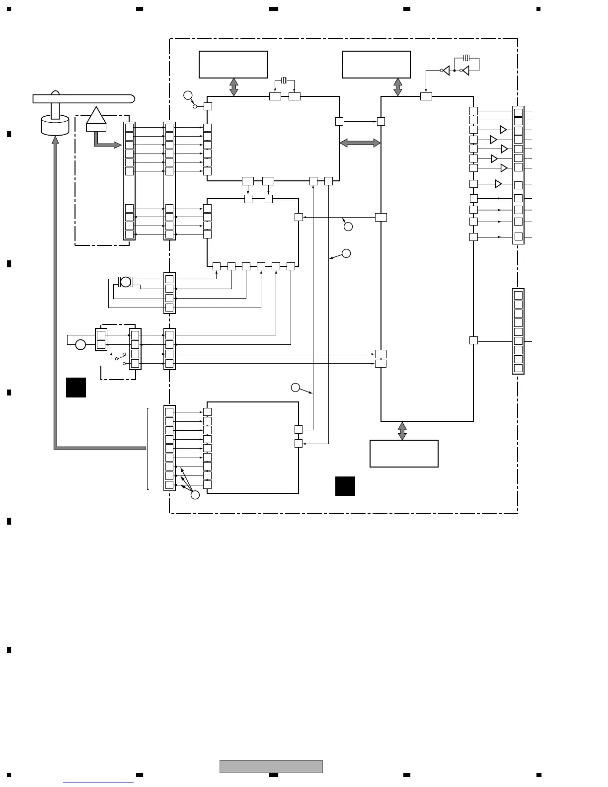
CN4
(4P)
IC301
L6315ATXXTY
FRONT END IC
Spindle
Motor
B1
X301
20MHz
B2
FACT
B3
B4
A
A
RFSACD
FREOUT FREIN
OUT_DATA(0) S_DATA
FE_DATA
RF(TP)
B
C
D
E
F
VM4-
VM4+
VM3+
VM3-
C
Stepping
Motor
(Carriage)
FDO
T_DRV
T_RTN
F_RTN
F_DRV
ST1-
ST1+
ST2+
ST2-
PICKUP
ASSY
CN151
(26P)
(26P)
D
LOAB ASSY
F
DVDM ASSY
M
IC351
M56788AFP
FTS Driver
IC251
BA6664FM
Spindle
Driver
20
21
15
16
19
17
7
6
12
11
8
10
10
3
84
B_OUT
25
16
HSYNC
_PWM0
131
123
TDO
FG
LOAD_DRV
SPDL
PDM
FG
SPDL PDM
TACT
IN4-
VM1+
IN5-
IN3-
PC(2) PC(6)
124
116
132
PIXCLK
120
12
18
16
25
24
13
12
H1+
FG
EC
H1+
9
24
22
10
9
4238
3 20
34
VM1-
35
VM2-
31
VM2+
32
VM5-
15
VM5+
14
17
24
25
26
23
3
2
1
4
4
3
CN2
(12P)
CN22
(30P)
CN25
(26P)
CN401
(13P)
4
2
1
IC302
K6T1008V2E-TB70
1M SRAM
Work RAM for Error Correction
IC604
K4S641632F-TC75
64M SDRAM
Work RAM for MPEG Decode
IC603
VYW1948
8M FLASH ROM
• RF Demodulation
• Servo Control
• Servo Decode
• Error Correction
IC601
STI5519AVB-B0C
BACK END IC
• System Control
• MPEG Video Decode
• Video Encode
• Video DAC
• Audio Decode
(MP3, Dolby)
• Sub-picture Decode
• Spindle Drive
• FG Detection
Focus, Tracking,
Stepper and
Loading Drive
X601
27MHz
Loading
Motor
Assy
+
M
H1-H1-
10
5
H2+H2+
11
6
H2-H2-
12
7
H3+H3+
13
8
H3-H3-
14
9
A1A1
7
3
A2A2
4
2
A3A3
2
1
1
3562
IC605 TC7WU04FU
Q607
G_OUT
26
Q606
R_OUT
27
DAC_SCLK
51
PCMDATA0
52
PCKCLK
55
Q605
Y_OUT
32
Q604
C_OUT
33
Q603
CV_OUT
34
SPDIF
DOUT
A_BCK
57
Q602
A_DATA0
A_MCLK
LRCLK
56
A_LRCK
PIO381
7
PIO382
8
SQUEEZ
LETTER
LOD+
SW2
SW1
LOD-
3.3V
CN602
(2P)
CN601
(5P)
CN9
(5P)
1
2
1
2
1
2
33
55
XCLOSE
OPEN
S101
205
204
XCLOSE
OPEN
3
4
24
5
26
21
7
9
11
13
22
15
5
3
4
2
1
3.1.2 SIGNAL ROUT(2/2)

Related product manuals