EasyManua.ls Logo

Pioneer XV-E51 - Af Assy(1;2)

Pioneer XV-E51
126 pages
Print Icon
To Next Page IconTo Next Page
To Next Page IconTo Next Page
To Previous Page IconTo Previous Page
To Previous Page IconTo Previous Page
Loading...
XV-EV51
28
1234
1234
C
D
F
A
B
E
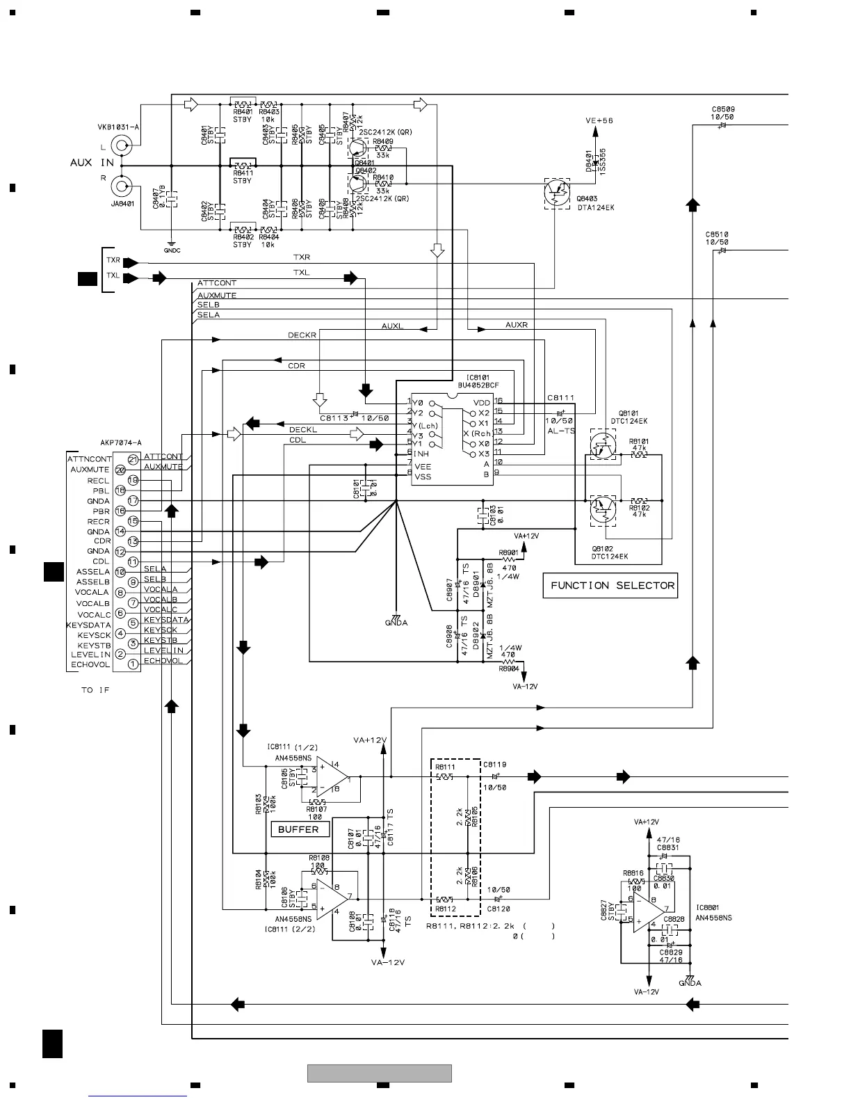
3.5 AF ASSY(1/2)
C
1/2
EV-51
EV-21
C
2/2
B
CN5504
CN8101
(REC) (REC)
(REC) (TX)
(TX) (REC)
(TX)
(TX) (TX)
(PB)
(PB)
(REC)
(REC)
(REC)
(CD)
(CD)
(AUX)
(AUX)
(AUX)
(AUX)
(CD)(CD)
XV-EV51 Only

Related product manuals