EasyManua.ls Logo

Pioneer XV-E51 - Page 29

Pioneer XV-E51
126 pages
Print Icon
To Next Page IconTo Next Page
To Next Page IconTo Next Page
To Previous Page IconTo Previous Page
To Previous Page IconTo Previous Page
Loading...
XV-EV51
29
5 678
56
7
8
C
D
F
A
B
E
C
1/2
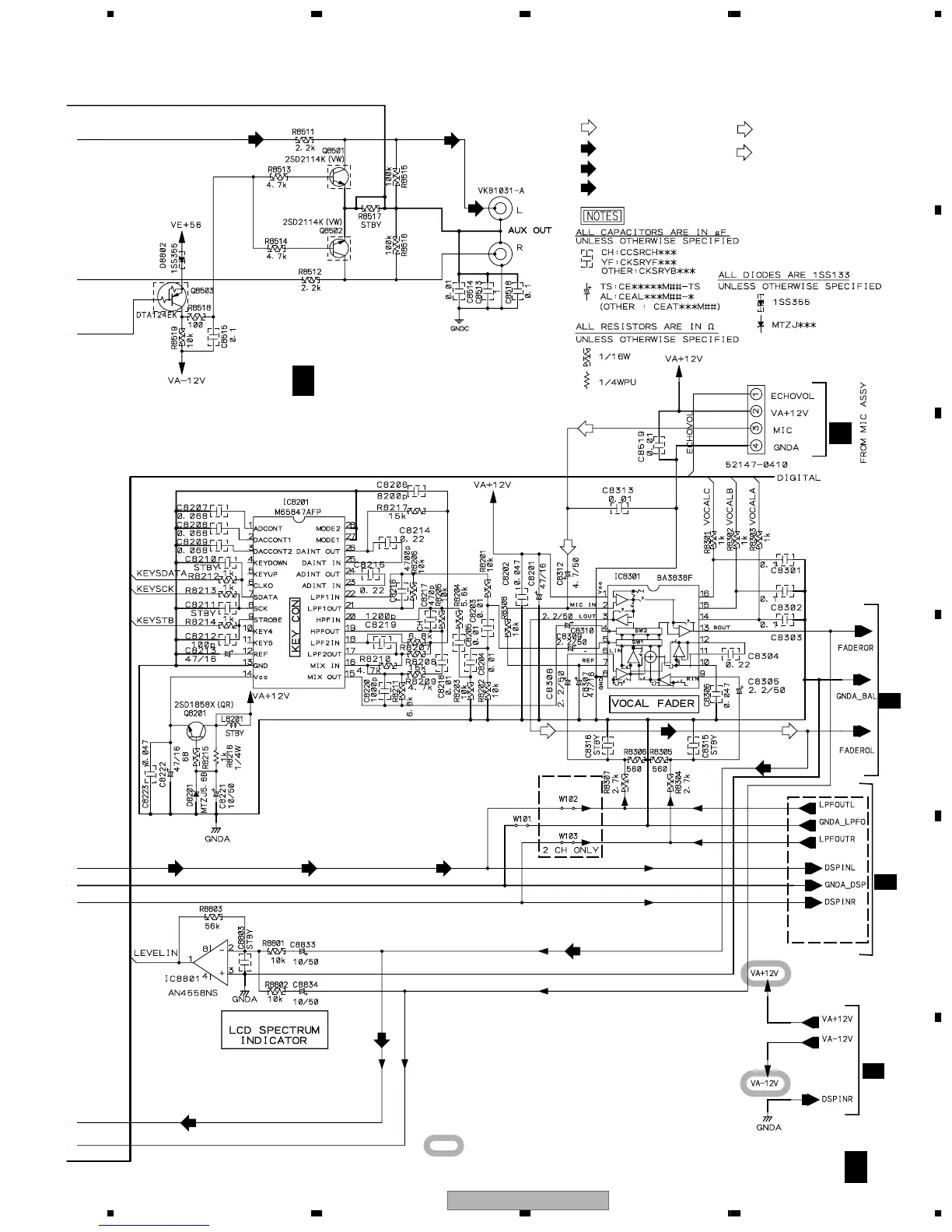
: The power supply is shown with the marked box.
AF ASSY
(XWZ3618 / XV-EV51)
(XWZ3628 / XV-EV21)
C
SIGNAL ROUTE
: PB SIGNAL
: RECORDING SIGNAL
(PB)
CN8301
JA8401
1/2
M
J5401
C
2/2
C
2/2
C
2/2
(REC)
(REC)
(REC)
(REC)
(REC)
(REC) (REC)(TX)
(TX)
(CD)
(CD)
(CD)
: AUDIO SIGNAL (TUNER)
(CD)
(TX)
: CD SIGNAL
(AUX)
: AUX SIGNAL
(MIC)
(MIC)
(MIC) (MIC)
(MIC)
: MIC OUT SIGNAL
EV21 Only
XV-EV51 Only

Related product manuals