EasyManua.ls Logo

Pioneer XV-E51 - Page 31

Pioneer XV-E51
126 pages
Print Icon
To Next Page IconTo Next Page
To Next Page IconTo Next Page
To Previous Page IconTo Previous Page
To Previous Page IconTo Previous Page
Loading...
XV-EV51
31
5 678
56
7
8
C
D
F
A
B
E
C
2/2
C
1/2
B
CN5503
CN8901
CN8701
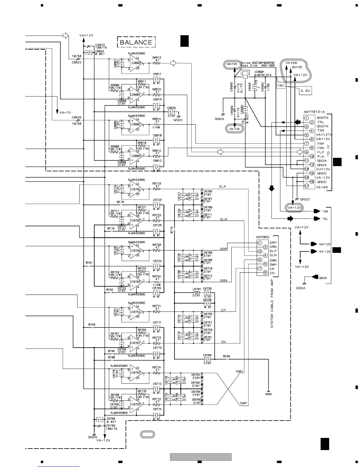
AF ASSY
(XWZ3618 / XV-EV51)
(XWZ3628 / XV-EV21)
C
2/2
XV-EV51
Only
To M-EV51 Power Amplfier
: The power supply is shown with the marked box.
(MIC)
(MIC)
(MIC)
(MIC)
(TX)
(TX)
(TX)

Related product manuals