EasyManua.ls Logo

PMC PH-40 - Motor Line Assembly

PMC PH-40
93 pages
Print Icon
To Next Page IconTo Next Page
To Next Page IconTo Next Page
To Previous Page IconTo Previous Page
To Previous Page IconTo Previous Page
Loading...
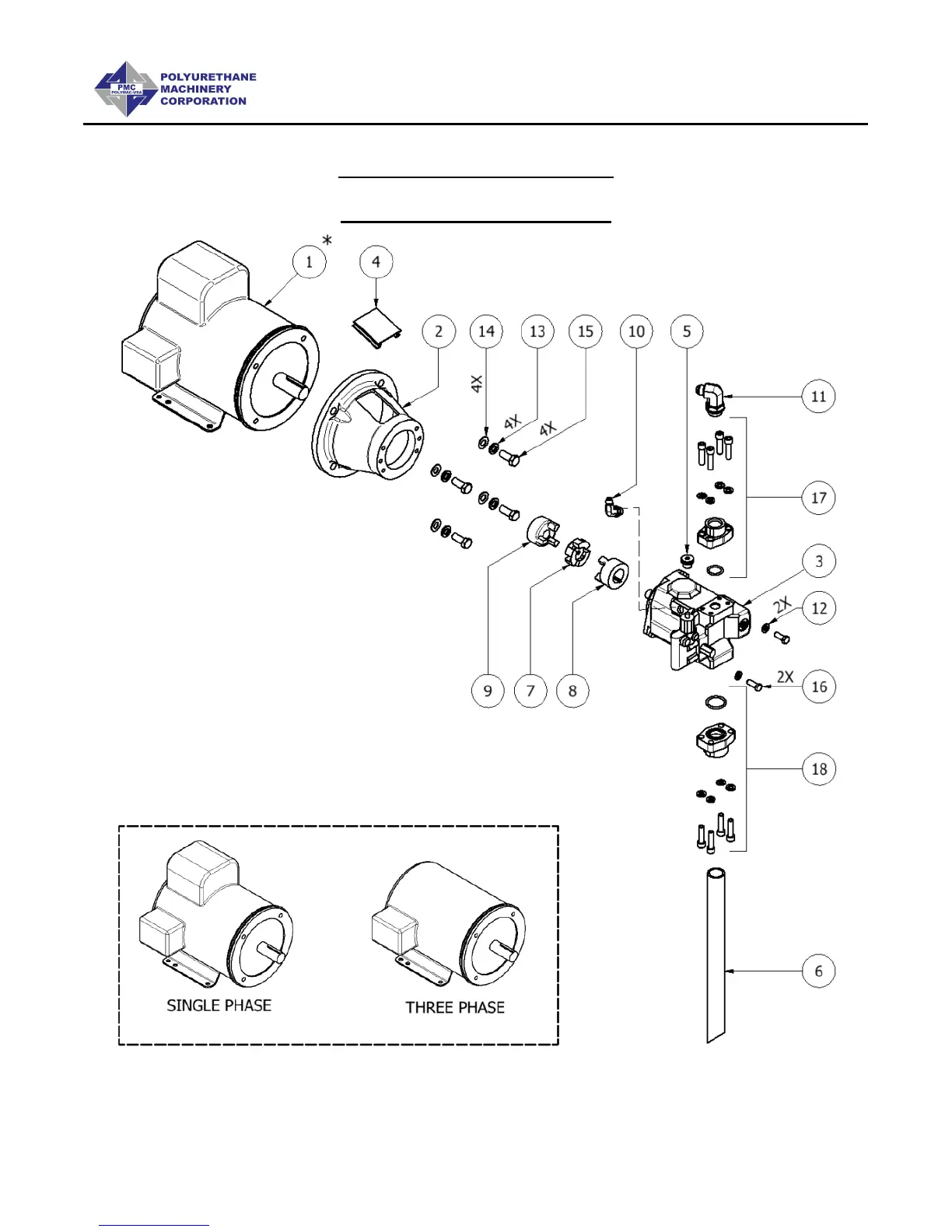
PART IDENTIFICATION
1
An asterisk (*) next to an item number represents a part that is different for specific models.
See the description in the part list table for details.
82
MOTOR LINE ASSEMBLY
(ML-1, ML-2, ML-3, & ML-2)

Related product manuals