EasyManua.ls Logo

PORTABLE ELECTRIC VOLTstack 5k - Technical Info; 5 K Wiring Diagram

PORTABLE ELECTRIC VOLTstack 5k
41 pages
Print Icon
To Next Page IconTo Next Page
To Next Page IconTo Next Page
To Previous Page IconTo Previous Page
To Previous Page IconTo Previous Page
Loading...
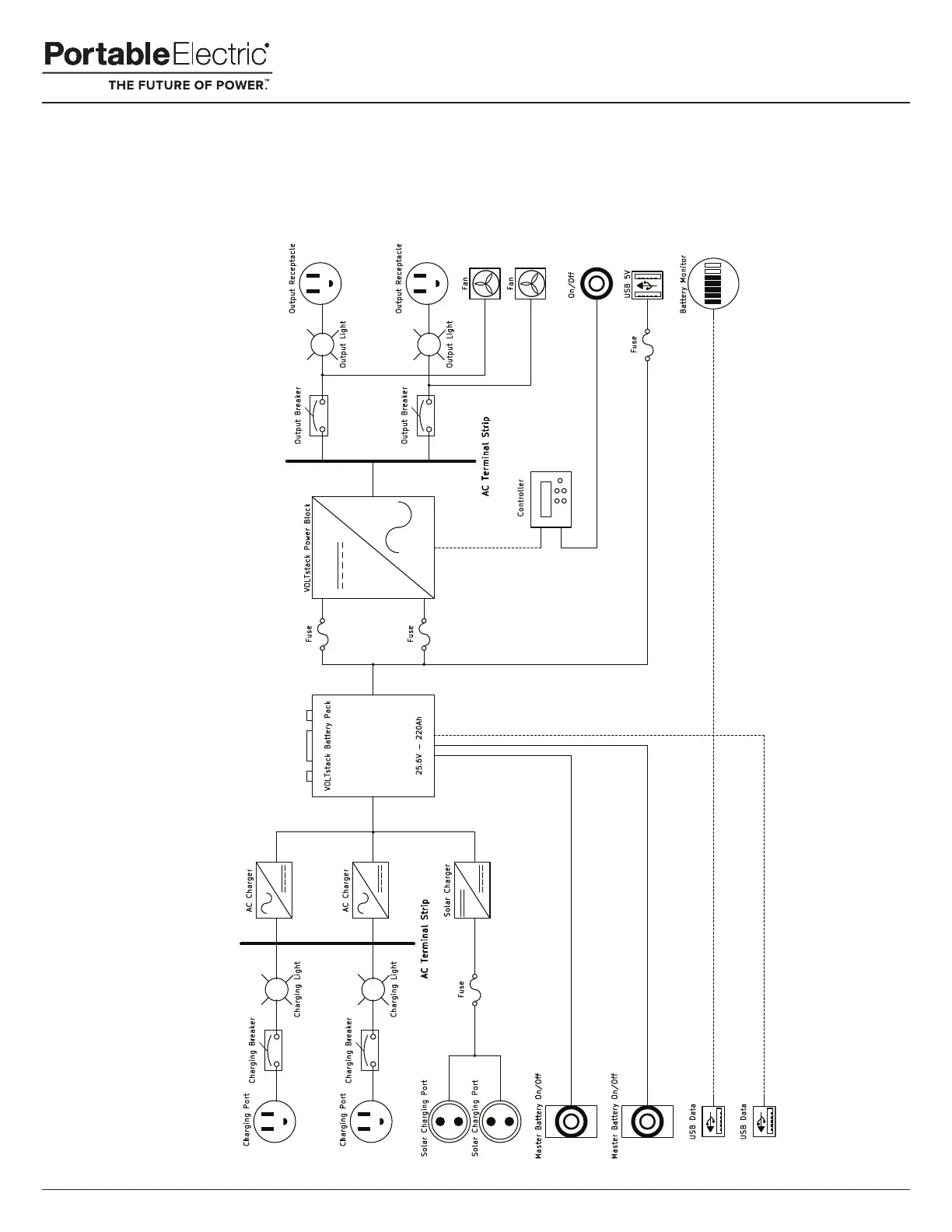
TECHNICAL INFO
5k Wiring Diagram
Version 1.0 September 2019
37

Table of Contents

Other manuals for PORTABLE ELECTRIC VOLTstack 5k

Related product manuals