EasyManua.ls Logo

Protec COMPACT 2 NDT - Page 51

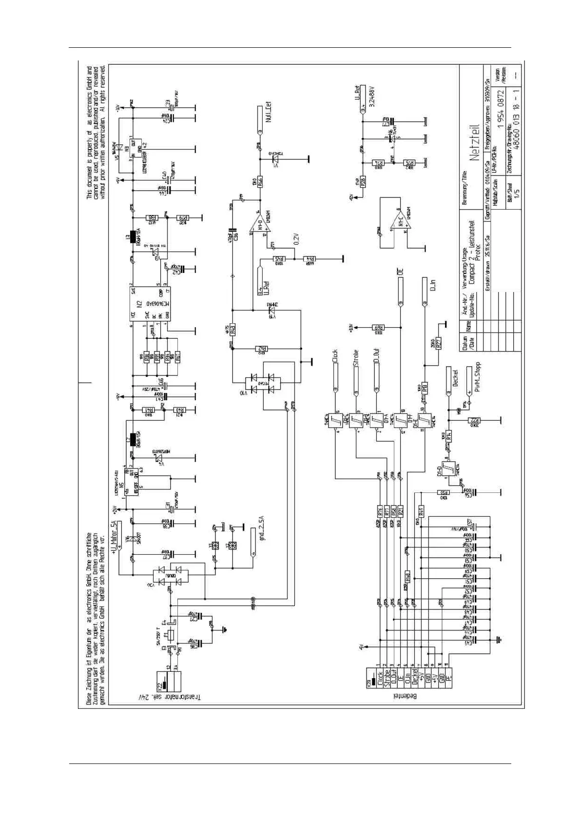
Protec COMPACT 2 NDT
65 pages
Print Icon
To Next Page IconTo Next Page
To Next Page IconTo Next Page
To Previous Page IconTo Previous Page
To Previous Page IconTo Previous Page
Loading...
COMPACT 2 NDT
User Manual
519
0
-
0
-
0002
PROTEC GmbH & Co. KG, In den Dorfwiesen 14, 71720 Oberstenfeld, Germany
51
von
65

Table of Contents

Related product manuals