EasyManua.ls Logo

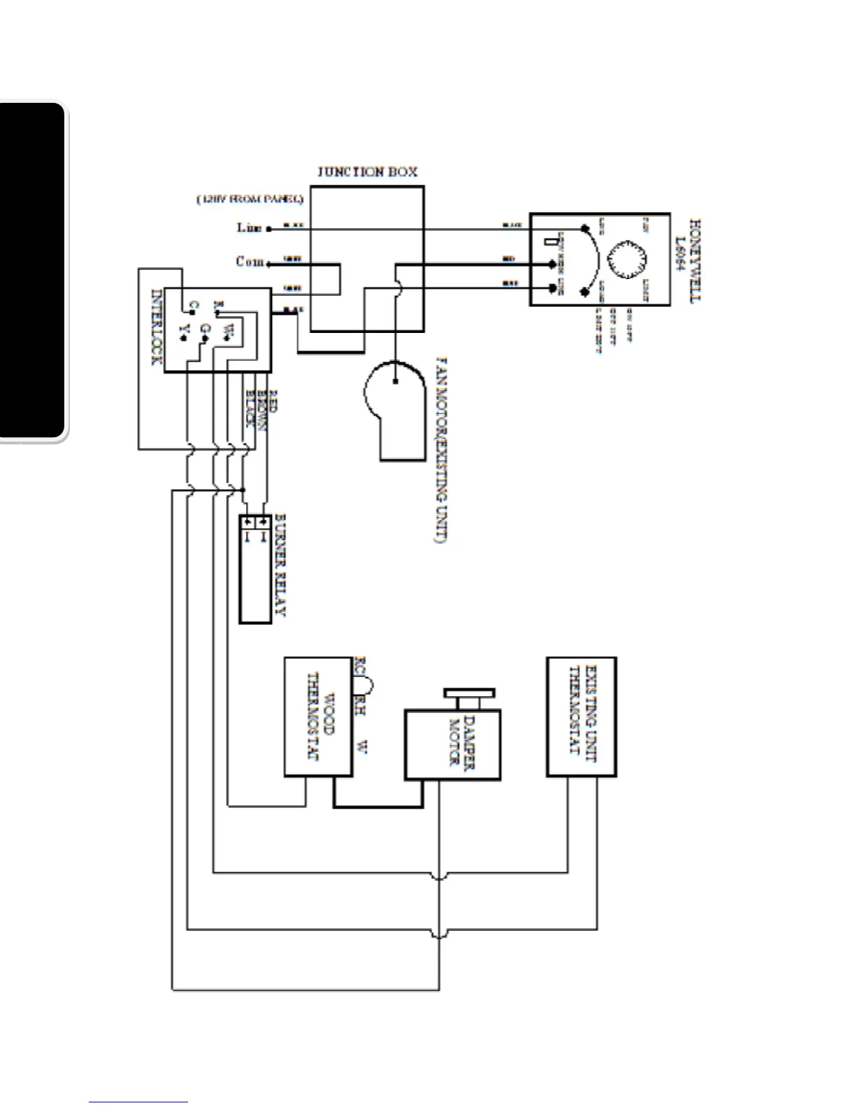
PSG Caddy PF01010 - Wiring Diagram for Connection of the Caddy Add-On with an Existing Oil Furnace

PSG Caddy PF01010
96 pages
Print Icon
To Next Page IconTo Next Page
To Next Page IconTo Next Page
To Previous Page IconTo Previous Page
To Previous Page IconTo Previous Page
Loading...
34
CADDY ADD-ON
3.1.6.4 WIRING DIAGRAM FOR CONNECTION OF THE CADDY ADD-ON
WITH AN EXISTING OIL FURNACE

Table of Contents

Related product manuals