EasyManua.ls Logo

PSG Caddy PF01010 - Wiring Diagram

PSG Caddy PF01010
96 pages
Print Icon
To Next Page IconTo Next Page
To Next Page IconTo Next Page
To Previous Page IconTo Previous Page
To Previous Page IconTo Previous Page
Loading...
72
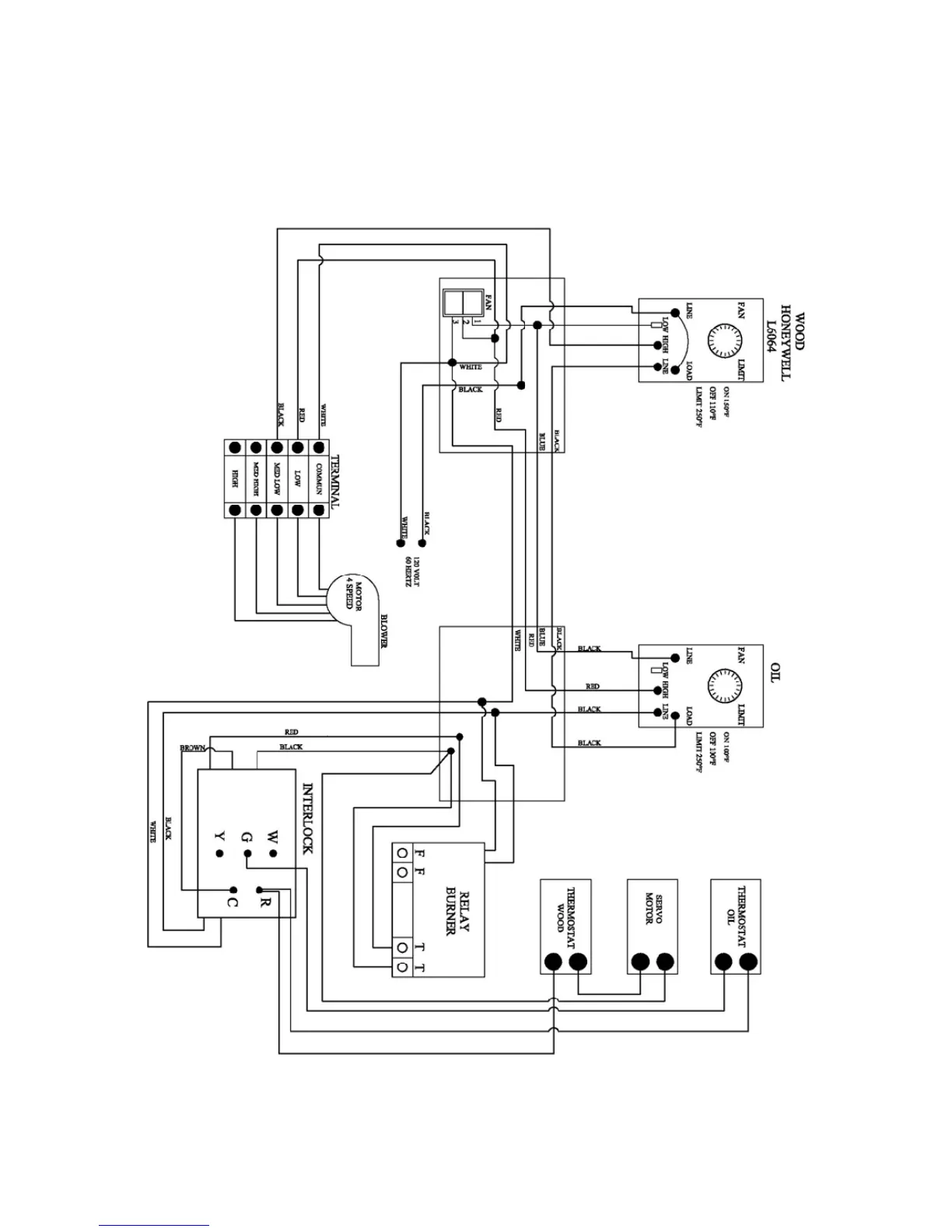
3.4.5.4 WIRING DIAGRAM
(The location of the fan limit control for wood is in the plenum and the fan limit
control for oil is located on the panel on the exhaust pipe side).
Wiring diagram for Beckett Burner

Table of Contents

Related product manuals