EasyManua.ls Logo

PSG Caddy PF01010 - Page 73

PSG Caddy PF01010
96 pages
Print Icon
To Next Page IconTo Next Page
To Next Page IconTo Next Page
To Previous Page IconTo Previous Page
To Previous Page IconTo Previous Page
Loading...
73
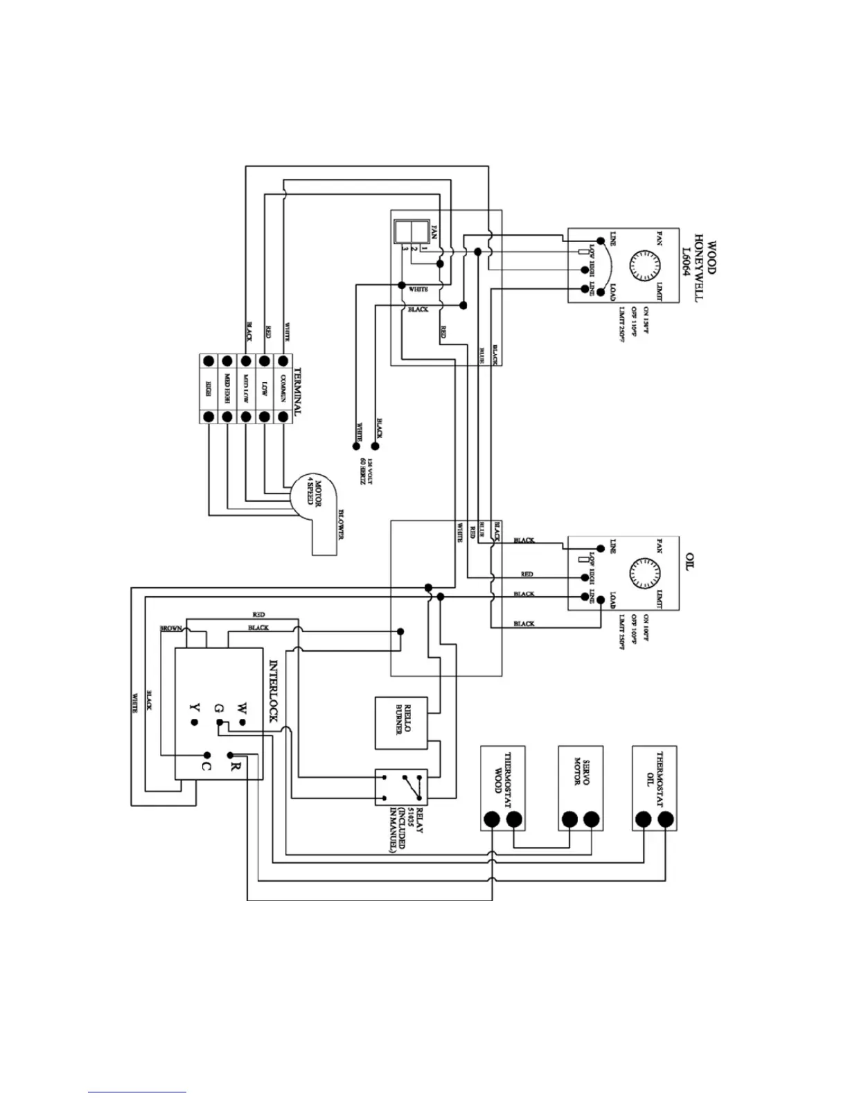
Wiring diagram for Riello Burner

Table of Contents

Related product manuals