EasyManua.ls Logo

PSG Caddy PF01010 - Wiring Diagram

PSG Caddy PF01010
96 pages
Print Icon
To Next Page IconTo Next Page
To Next Page IconTo Next Page
To Previous Page IconTo Previous Page
To Previous Page IconTo Previous Page
Loading...
46
CADDY WOOD ONLY
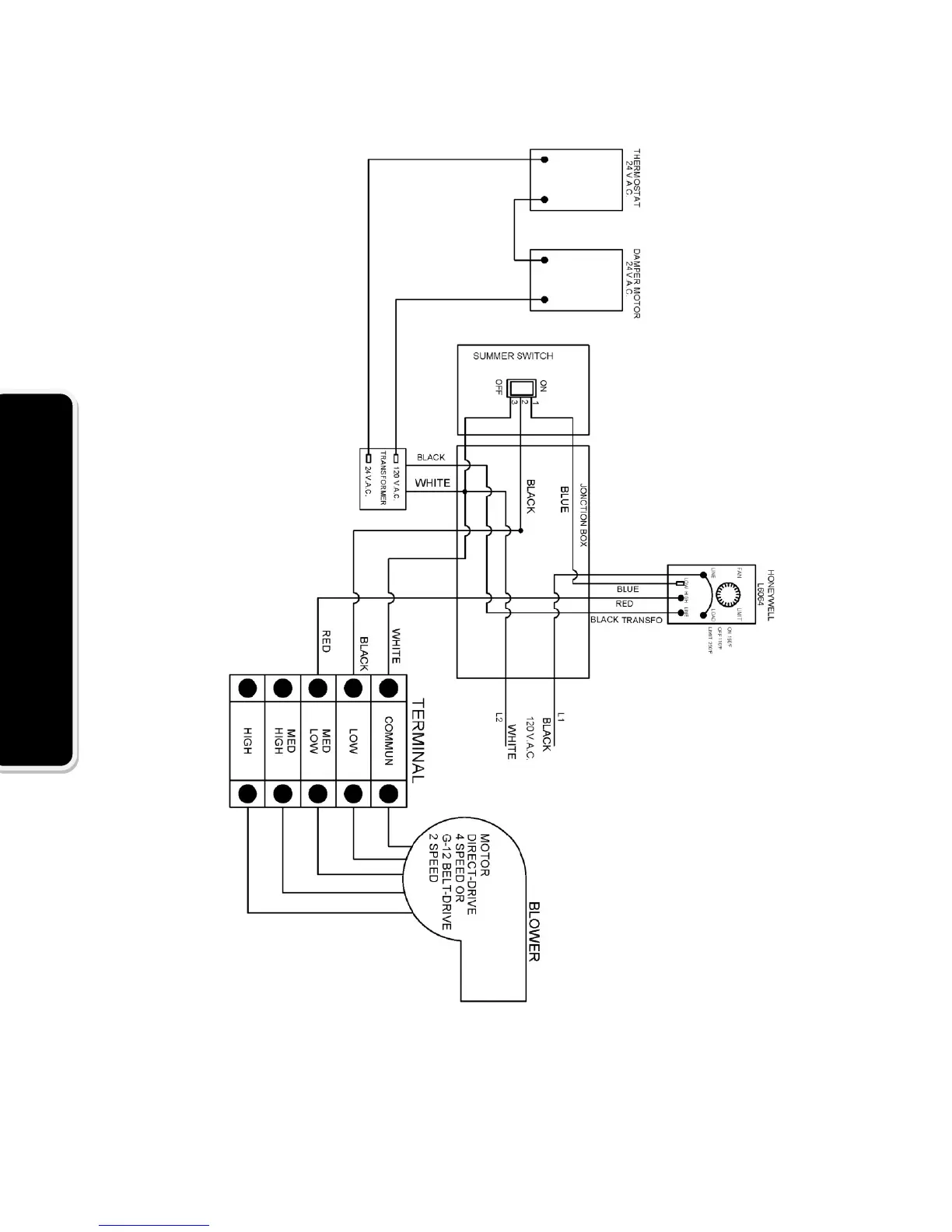
3.2.3.4 WIRING DIAGRAM
Make the connection from the blower to the fan limit control. Connect the
servomotor and the thermostat to the transformer supplied with the fan limit kit.
Then feed the fan limit control with the current from the electrical panel of the
house.

Table of Contents

Related product manuals