EasyManua.ls Logo

R2Sonic 2024 - Page 236

Default Icon
254 pages
Print Icon
To Next Page IconTo Next Page
To Next Page IconTo Next Page
To Previous Page IconTo Previous Page
To Previous Page IconTo Previous Page
Loading...
Page 236 of 254
Version
6.3
Rev
r012
Date
05-11-2022
Part No. 96000001
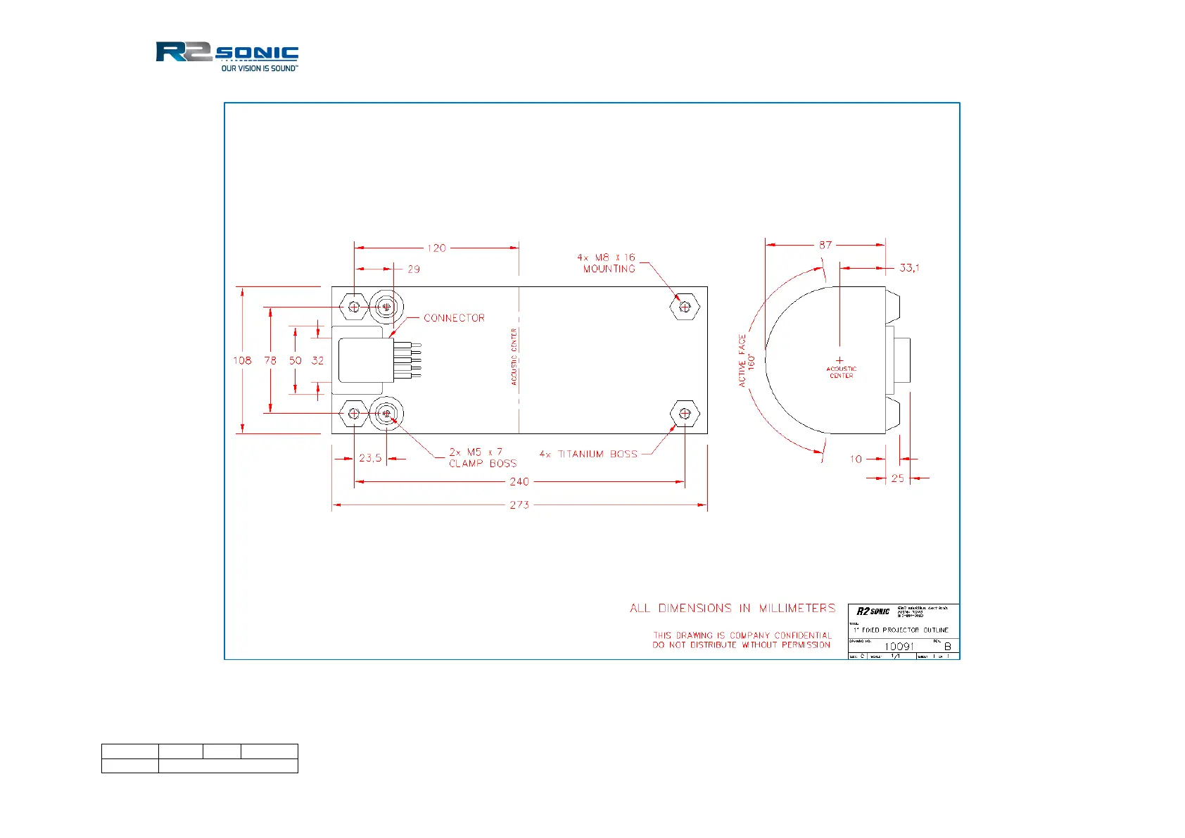
Figure 214: Sonic 2024/2022 Projector
Measurements valid for all styles of projectors
including older style projectors without the
clamp bosses.

Table of Contents

Related product manuals