EasyManua.ls Logo

R2Sonic 2024 - Page 242

Default Icon
254 pages
Print Icon
To Next Page IconTo Next Page
To Next Page IconTo Next Page
To Previous Page IconTo Previous Page
To Previous Page IconTo Previous Page
Loading...
Page 242 of 254
Version
6.3
Rev
r012
Date
05-11-2022
Part No. 96000001
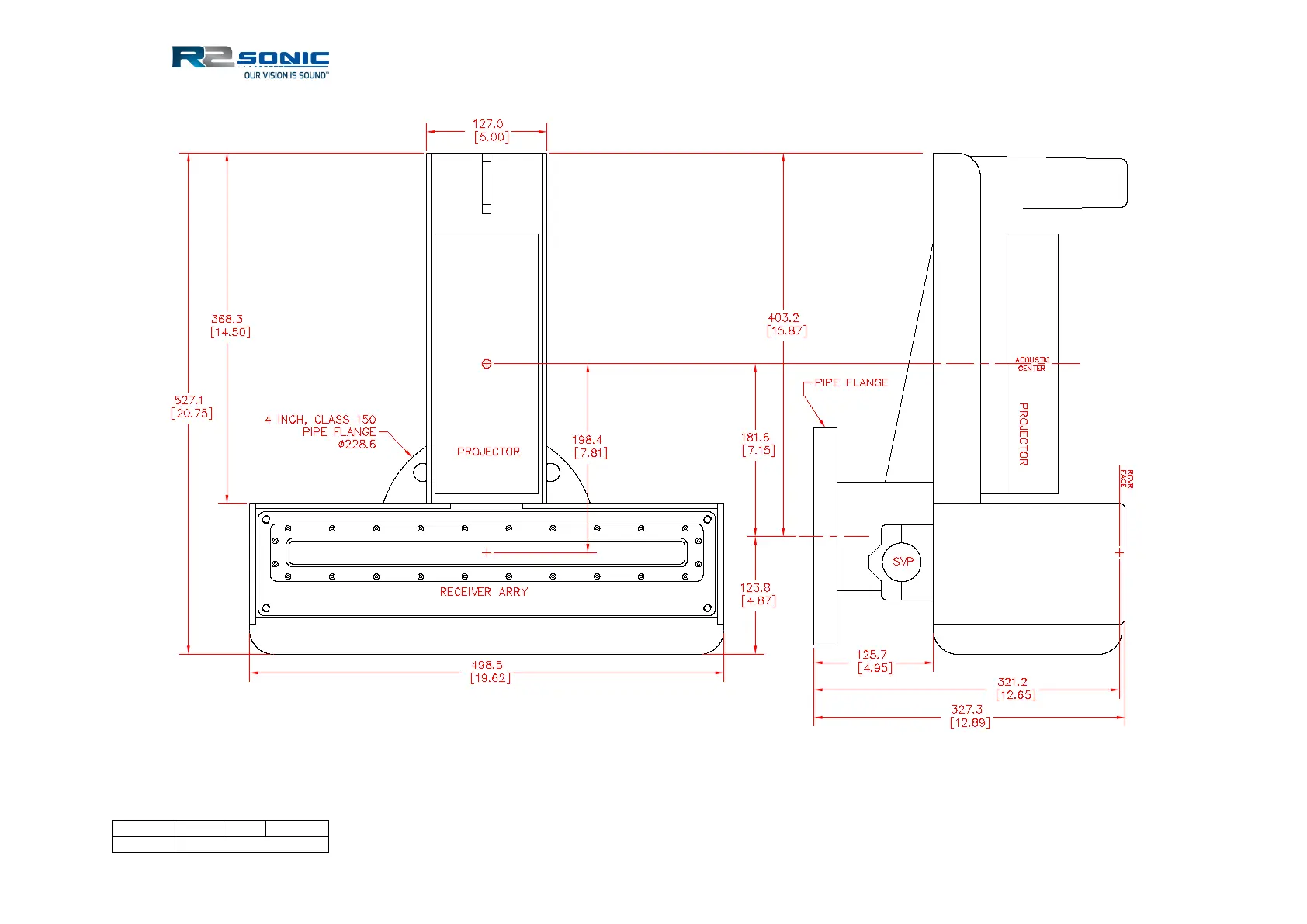
Figure 220: Sonic 2024 Mounting Bracket Drawing

Table of Contents

Related product manuals