EasyManua.ls Logo

RBH Access Technologies Integra32 - Earth

Default Icon
64 pages
Print Icon
To Next Page IconTo Next Page
To Next Page IconTo Next Page
To Previous Page IconTo Previous Page
To Previous Page IconTo Previous Page
Loading...
Chapter 2
Intelligent Field Panel
Integra32
Hardware Guide RBH Access Technologies Inc.
4
Earth
The controller contains several layers of protection against induced high voltage
transients from static discharge, lightning, and power line spikes. In order for this
protection to be fully effective, a good connection to earth ground is essential. Wire this
connection to a metal cold water pipe or similar structure. Do not connect directly to the
AC earth. Use 16 AWG or heavier cable and keep the length as short as possible (less
than 50 feet [15 meters]).
For multiple panels always use only a single point ground reference for all panels. Bring
the shields of all reader and communication cables back to one location. Do not connect
them to the panel or the panel‟s housing.
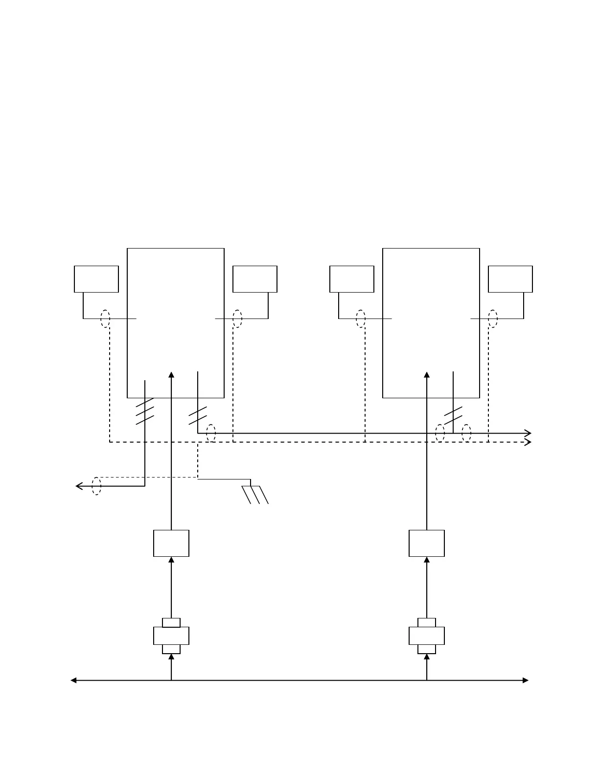
Grounding the Integra32 system
RS-485
Earth
To PC RS-232 Ground
12vdc 12vdc
16vac 16vac
External External
Transformer Transformer
AC Power Source
IRC 2000
Panel 1
Gnd
RX A,B
TX
IRC 2000
Panel 2
A,B
Reader A
Reader A
Reader B
Reader B
Reader B
P
o
w
e
r
S
u
p
p
l
y
P
o
w
e
r
S
u
p
p
l
y