EasyManua.ls Logo

Red Jacket Quick-Set P75S1T2 - Page 10

Default Icon
56 pages
Print Icon
To Next Page IconTo Next Page
To Next Page IconTo Next Page
To Previous Page IconTo Previous Page
To Previous Page IconTo Previous Page
Loading...
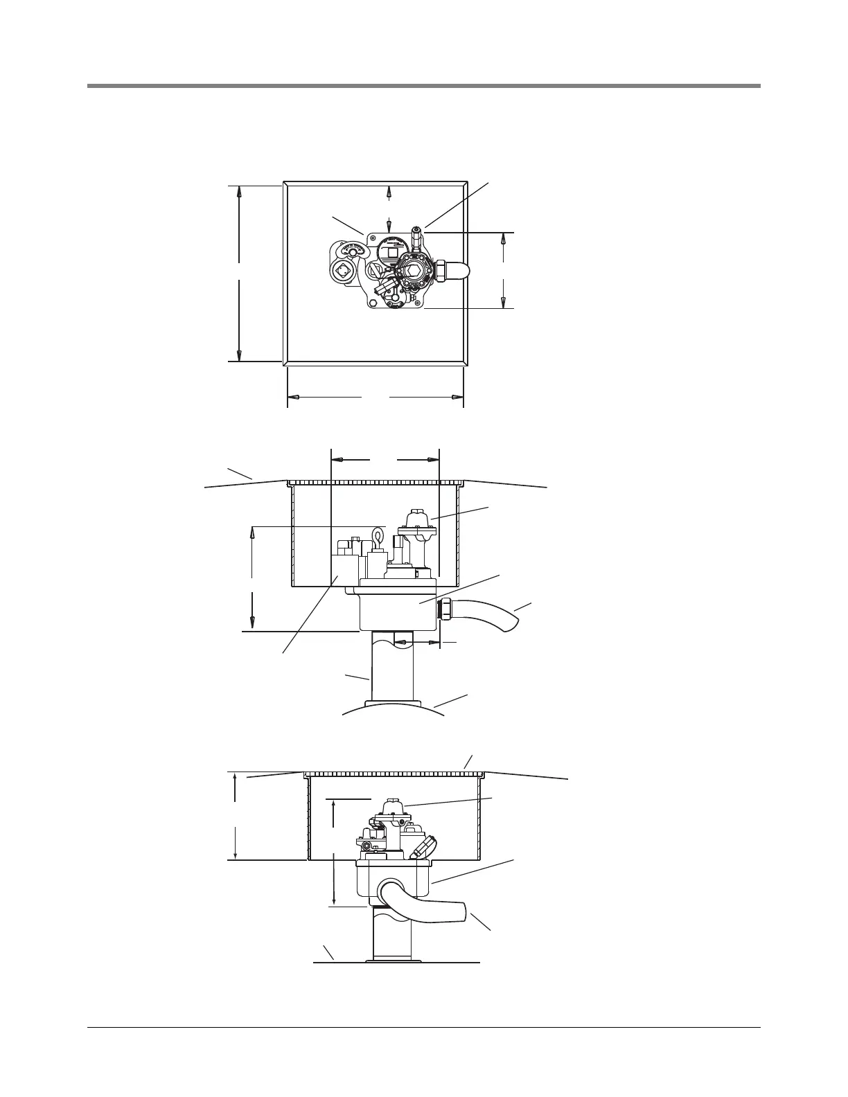
4” Standard Pump Installation, Operation & Service Manual Leak Detector Installation and Manifold Dimensions
5
Figure 1. Leak detector and manifold dimensions
20" (508 mm)
20"
(508 mm)
12"
(305 mm)
PUMP
6" (152 mm)
8-3/4" (222 mm)
RED JACKET LEAK
DETECTOR
11'' (279 mm)
5.5'' (140 mm)
4'' RISER
TANK
20'' X 20'' (508 mm X 508 mm) MANHOLE
TANK
13''
(330 mm)
10''
(254 mm)
ELECTRICAL
CONDUIT BOX
DRIVEWAY
GRADE
FLEX
CONNECTOR
RED JACKET
SUBMERSIBLE
PUMP
RED JACKET
SUBMERSIBLE
PUMP
2-INCH OUTLET
TO DISPENSERS
RED JACKET
LEAK DETECTOR
RED JACKET
LEAK DETECTOR
153-1.eps

Related product manuals