EasyManua.ls Logo

Regal 32 EXPRESS - Page 74

Default Icon
364 pages
Print Icon
To Next Page IconTo Next Page
To Next Page IconTo Next Page
To Previous Page IconTo Previous Page
To Previous Page IconTo Previous Page
Loading...
20
Chapter 4
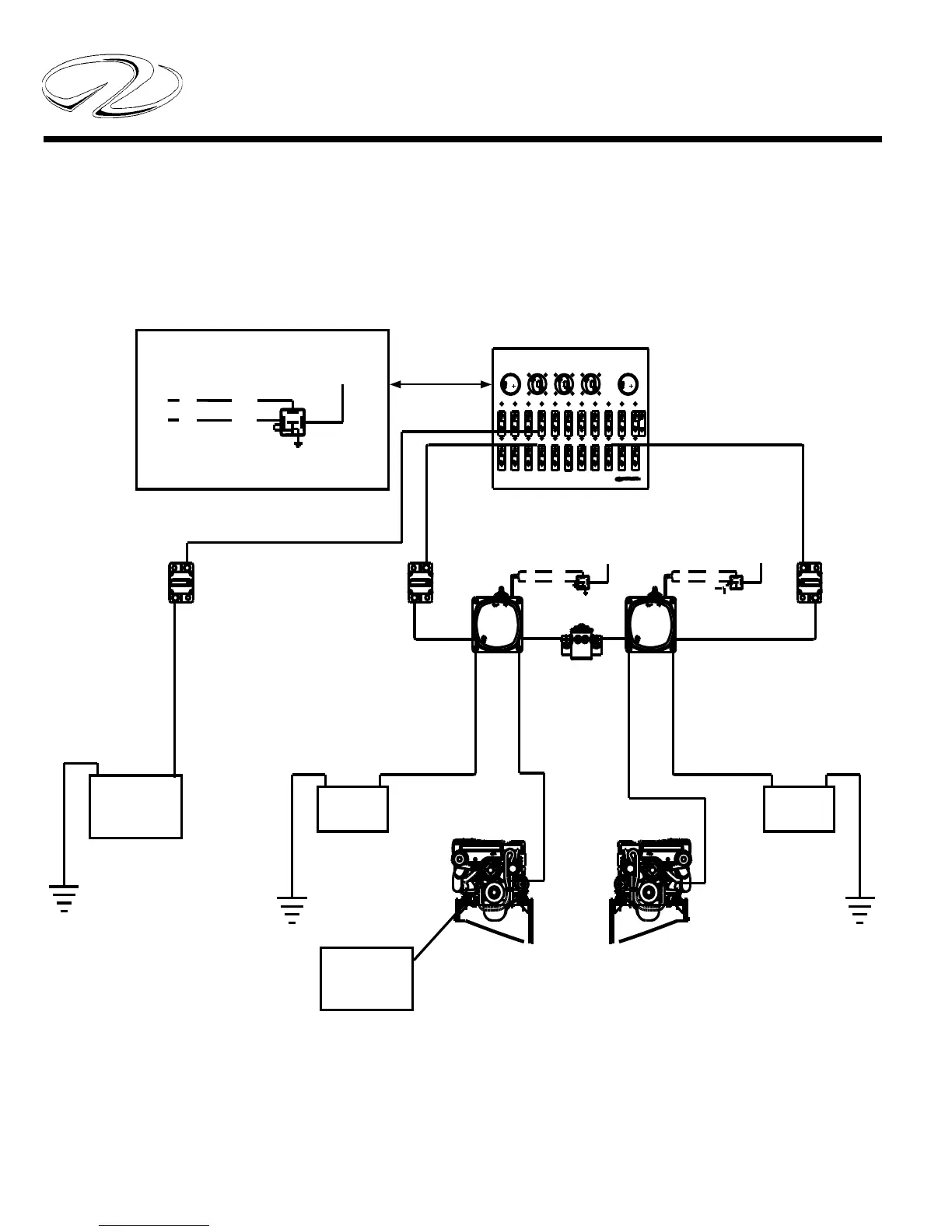
TYPICAL BATTERY MANAGEMENT SYSTEM COMPONENTS
PORT
D
+
C
OFF
_
OFF
HOUSE
+
B
_
STBD
OFF
A
B
+
_
80AMP
ON
ON
5AMP
OFF
PUMP
CHARGER
FWD SHOWER
OFF
OFF
WINDLASS
150AMP
SHOWER
ON
OFF
ON
OFF
5AMP
PUMP
DASH MAIN
MID BILGE
ON
RELAY DETAIL
HOUSE BATTERY
ON
ON
ON
ON
LIFT
RED
BLACK
PORT ENGINE BATTERY
GENERATOR
90AMP
HATCH
20AMP
ELECTRONICS
CHARGER
20AMP
MASTER
OFF
20AMP
CABLE
OFF
14GA RED TO COMMON STUD
ON BATTERY SWITCH
18GA RED
18GA BLK
85
87
87A
86
30
OIL
CABIN MAIN
80AMP
ON
OFF
30
80AMP
OFF
ON
PUMP
FWD BILGE
OFF
OFF
10AMP
PUMP
10AMP
OFF
OFF
ON
OFF
ON
80AMP
ACC
ON
60AMP
OFF
TENDER
WINCH
ON
ON
ON
ON
PUMP
10AMP
OFF
AFT BILGE
ALARM
5AMP
OFF
HIGH WATER
25AMP
OFF
ON
LIFT
TENDER
ON
30AMP
OFF
GANGWAY
SHOWER
MEMORY
OFF
10AMP
STEREO
PUMP
OFF
5AMP
CHARGER
OFF
ON
80AMP
CHARGER
OFF
ON
80AMP
A
BATTERY MANAGEMENT SYSTEM
85
86
87
87A
14GA REDTO COMMON STUDON BATTERY SWITCH
STBD ENGINE BATTERY
18GA BLK
18GA RED
RED
BLACK
14GA REDTO COMMON STUDON BATTERY SWITCH
BATTERY MANAGEMENT PANEL
85
86
87A
87
30
RED
BLACK
18GA BLK
18GA RED
BATTERY
PARALLEL
SOLENOID
150 AMP
BREAKER
150 AMP
BREAKER
150 AMP
BREAKER
REMOTE
BATTERY
SWITCH
REMOTE
BATTERY
SWITCH
VSR
DUAL SENSE
CUT OUT 12.8V DC
CUT IN 13.7V DC
VSR
RELAY MODULE
VOLTAGE SENSITIVE
IGNITION PROTECTED
125 AMP
CUT IN 13.7V DC
CUT OUT 12.8V DC
IGNITION PROTECTED
VOLTAGE SENSITIVE
RELAY MODULE
DUAL SENSE
125 AMP
ON
OFF
NOTE!
300A
MARINE
BEP
EMERGENCY
LED ON - BATTERY SWITCH ON BY REMOTE
CONTINUOUS RATING
WHEN RETURNING TO AUTO OPERATION AFTER MANUAL ON OPERATION
THE HANDLE MUST BE SWITCHED TO OFF POSITION THEN TO AUTO.
FOR AUTO OPERATION HANDLE MUST ALIGN TO AUTO.
ELECTRIC BATTERY
OVERRIDE
LED INDICATIONS: LED OFF - BATTERY SWITCH IS OFF
SWITCH
AUTO
FOR AUTO OPERATION HANDLE MUST ALIGN TO AUTO.
â
ON
EMERGENCY
OVERRIDE
AUTO
NOTE!
OFF
WHEN RETURNING TO AUTO OPERATION AFTER MANUAL ON OPERATION
THE HANDLE MUST BE SWITCHED TO OFF POSITION THEN TO AUTO.
MARINE
BEP
â
300A
LED ON - BATTERY SWITCH ON BY REMOTE
CONTINUOUS RATING
LED INDICATIONS: LED OFF - BATTERY SWITCH IS OFF
ELECTRIC BATTERY
SWITCH
150A 150A150A
PARALLELSOLENOIDINSIDEBOX
DVSR RELAYS ARE LOCATED AT
BATTERY MANAGEMENT PANEL
DVSR RELAY=DIGITAL VOLTAGE SENSE RELAY

Table of Contents

Related product manuals