EasyManua.ls Logo

Rockwell Automation Allen-Bradley Ultra3000 - Page 125

Rockwell Automation Allen-Bradley Ultra3000
180 pages
Print Icon
To Next Page IconTo Next Page
To Next Page IconTo Next Page
To Previous Page IconTo Previous Page
To Previous Page IconTo Previous Page
Loading...
Publication 2098-IN005C-EN-P — March 2008
Interconnect Diagrams 125
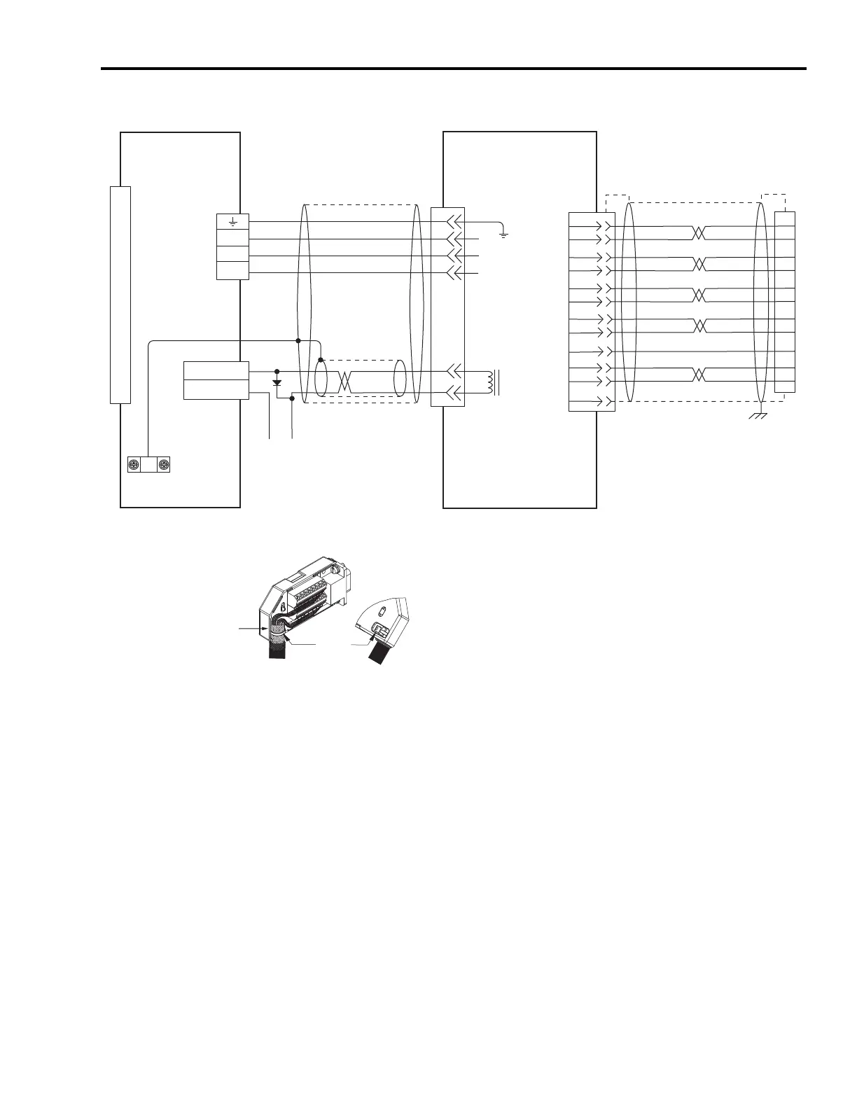
Wiring Example with TLY-A (TL-Series) Motors
BR+
BR-
W
V
U
AM+
AM-
BM+
BM-
IM+
IM-
+5VDC
ECOM
WHT/BLUE
GREEN
WHT/GREEN
GRAY
WHT/GRAY
BLACK
WHT/BLACK
RED
WHT/RED
1
2
3
4
5
10
14
6
12
S1
S2
S3
YELLOW
WHT/YELLOW
13
8
GND
SHIELD
5
3
2
1
7
9
0
1
2
3
4
5
6
7
8
9
10
11
12
13
14
15
4
3
2
1
W
V
U
43
44
Brake/Relay +
Brake/Relay -
+24V
COM
22
23
15
24
17
19
9
10
11
12
13
14
Motor
Brake
Cable Shield Clamp
Note 9
Three-phase
Motor Power
Motor Feedback
User-supplied
+24V dc Power Supply
(1 A max)
Motor Feedback
(CN2) Connector
Ultra3000 (230V) Drive
Note 13
Black
White
Control Interface
(CN1) Connector
Green/Yellow
Blue
Black
Brown
TLY-Axxxx-H (230V)
Servo Motors with
Incremental Feedback
Grounding Technique for
Feedback Cable Shield
Exposed shield secured
under clamp.
Cable Tie
2090-CFBM6DF-CBAAxx (flying-lead) or
2090-CFBM6DD-CCAAxx (with drive-end connector)
Feedback Cable
Note 12, 15
2090-CPBM6DF-16AAxx
Motor Power Cable
Note 12, 16
Refer to illustration (lower left)
for proper grounding technique.
Motor Feedback
(CN2) Connector
Motor Power
(TB1) Connector
Note 21
2090-UXBB-DM15
Motor Feedback Breakout Board
2090-CPWM6DF-16AAxx
cable for motor without brake.

Table of Contents

Other manuals for Rockwell Automation Allen-Bradley Ultra3000

Related product manuals