EasyManua.ls Logo

Rockwell Automation Allen-Bradley Ultra3000 - Page 124

Rockwell Automation Allen-Bradley Ultra3000
180 pages
Print Icon
To Next Page IconTo Next Page
To Next Page IconTo Next Page
To Previous Page IconTo Previous Page
To Previous Page IconTo Previous Page
Loading...
Publication 2098-IN005C-EN-P — March 2008
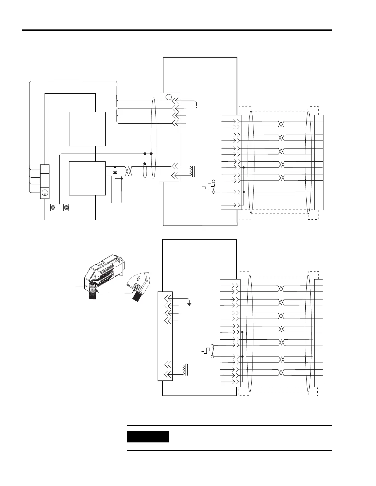
124 Interconnect Diagrams
Wiring Examples with MPL-A/B, MPF-A/B, and MPS-A/B (MP-Series) Motors
BR+
BR-
W
V
U
GND
SIN+
SIN-
COS+
COS-
DATA+
DATA-
GREEN
WHT/GREEN
GRAY
WHT/GRAY
BLACK
WHT/BLACK
RED
WHT/RED
1
2
3
4
5
10
14
6
+9VDC
TS+
ORANGE
WHT/ORANGE
7
11
BR+
BR-
W
V
U
GND
+5VDC
ECOM
43
44
+24V
COM
U
V
W
3
4
5
6
1
2
9
10
14
12
11
13
D/
C/W
B/V
A/U
F/+
G/-
D
C
B
A
F
G
BRN
BLK
BLU
GN/YL
TS-
COM
BLUE
AM+
AM-
BM+
BM-
IM+
IM-
+5VDC
ECOM
BLUE
WHT/BLUE
GREEN
WHT/GREEN
GRAY
WHT/GRAY
BLACK
WHT/BLACK
RED
WHT/RED
1
2
3
4
5
10
14
6
12
TS-
S1
TS+
ORANGE
WHT/ORANGE
11
S2
S3
COM
YELLOW
WHT/YELLOW
13
8
3
4
5
6
1
2
14
15
16
17
12
11
13
9
10
Motor Brake
Note 20
Motor
Power
TB1
Cable Shield
Clamp
Note 9
Note 21
Motor Feedback
(15-pin) Connector
CN2
Three-phase
Motor Power
Motor Feedback
Thermostat
User-supplied
+24V dc Power Supply
(1 A max)
2090-XXNFMF-Sxx
(flying-lead) Feedback Cable
Notes 12, 19
Motor Feedback
(CN2) Connector
2090-XXNPMF-xxSxx
Motor Power Cable
Note 12, 16, 20
Ultra3000 Drive
Notes 13, 14
Black
White
Control Interface
(44-pin) Connector
CN1
Green/Yellow
Blue
Black
Brown
Three-phase
Motor Power
Motor Feedback
Thermostat
Motor Feedback
(CN2) Connector
MPL-A/B15xx and MPL-A/B2xx,
MPF-A/Bxxx and MPS-A/Bxxx
Servo Motors with
High Resolution Feedback
MPL-A/B15xx and MPL-A/B2xx
Servo Motors with
Incremental Feedback
Refer to illustration (lower left)
for proper grounding technique.
2090-XXNFMF-Sxx Feedback Cable
Note 12
Refer to illustration (left)
for proper grounding technique.
Grounding Technique for
Feedback Cable Shield
Exposed shield secured
under clamp.
Cable Tie
Motor
Brake
2090-UXBB-DM15
Motor Feedback Breakout Board
IMPORTANT
MPF-A5xxx motors are not compatible with 2098-DSD-005,
2098-DSD-010, and 2098-DSD-020 Ultra3000 drives.

Table of Contents

Other manuals for Rockwell Automation Allen-Bradley Ultra3000

Related product manuals