EasyManua.ls Logo

Rottler HP6A - 514-9 D Extra Large Hd Hone Head Assembly

Default Icon
150 pages
Print Icon
To Next Page IconTo Next Page
To Next Page IconTo Next Page
To Previous Page IconTo Previous Page
To Previous Page IconTo Previous Page
Loading...
Optional Tooling
7-11
HP6A Manual
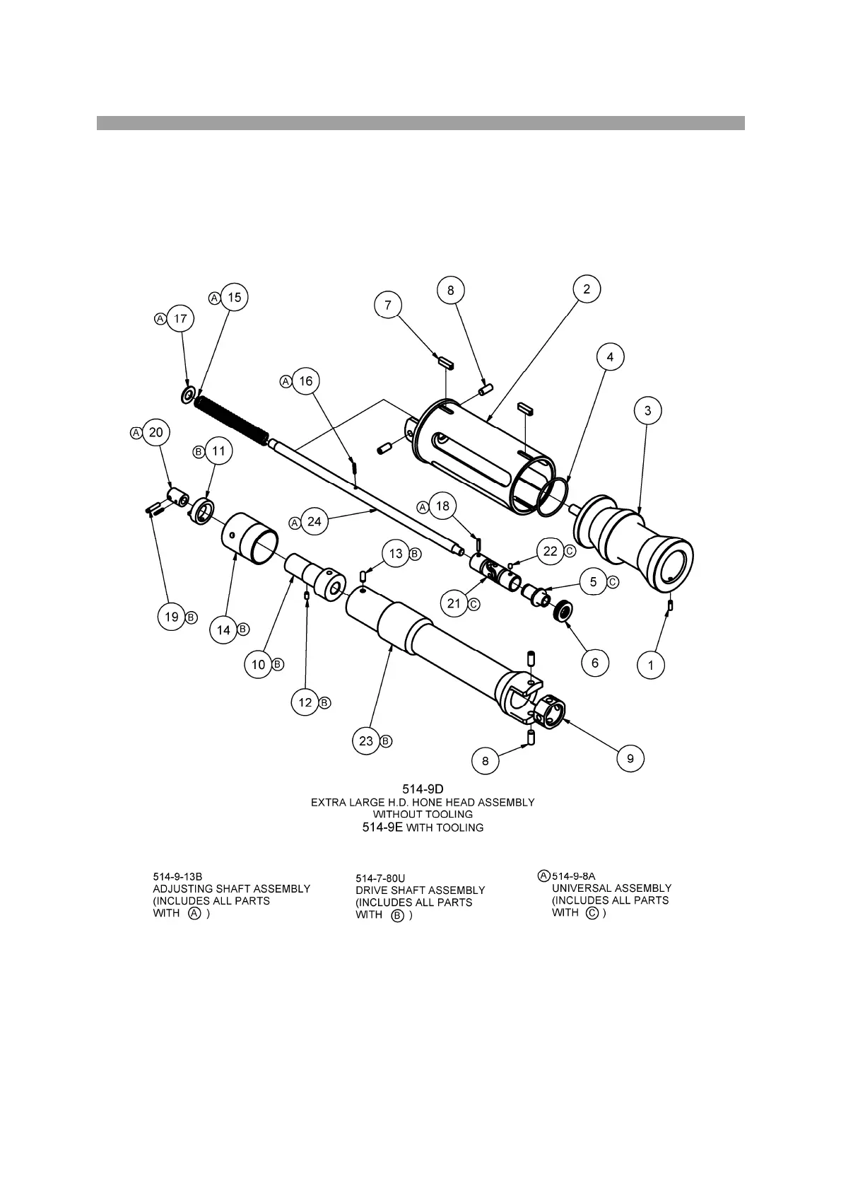
514-9D Extra Large HD Hone Head Assembly

Table of Contents