EasyManua.ls Logo

Rottler HP6A - Electrical Wiring Diagram Part 3

Default Icon
150 pages
Print Icon
To Next Page IconTo Next Page
To Next Page IconTo Next Page
To Previous Page IconTo Previous Page
To Previous Page IconTo Previous Page
Loading...
Machine Parts
6-4
P6A Manual
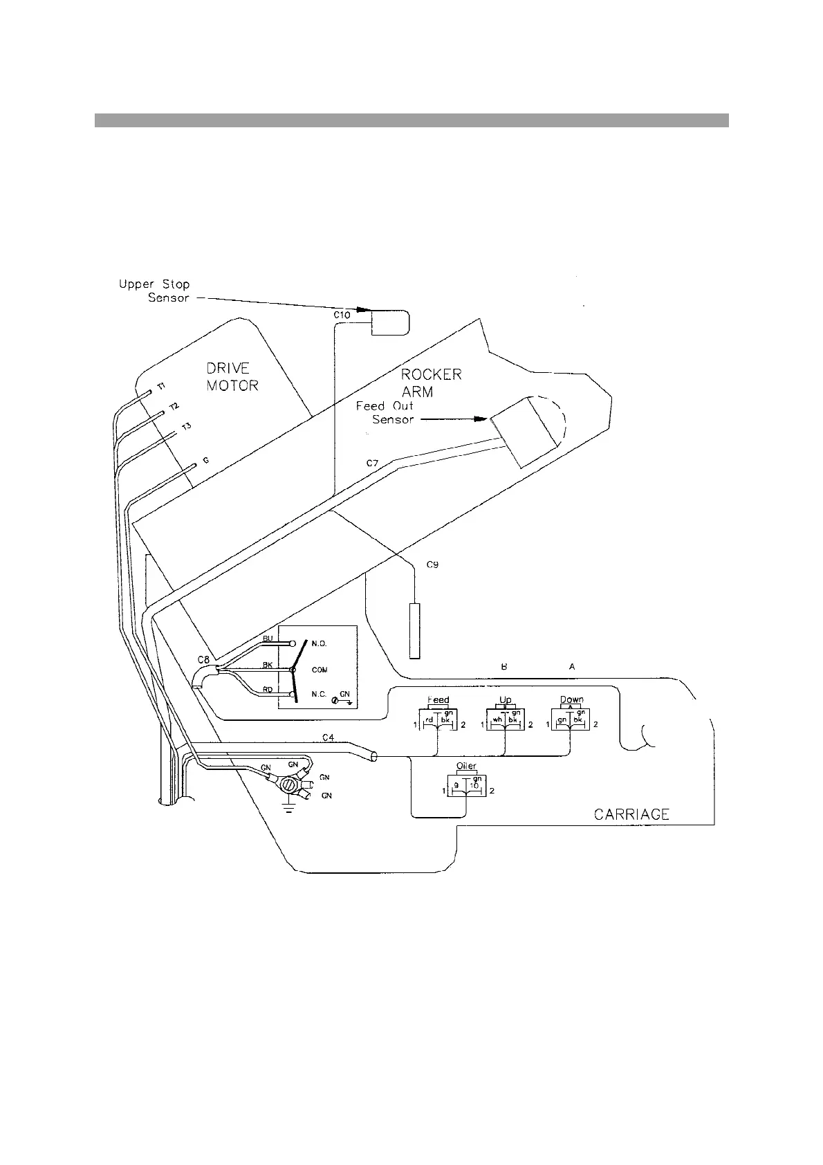
Electrical Wiring Diagram Part 3:

Table of Contents