EasyManua.ls Logo

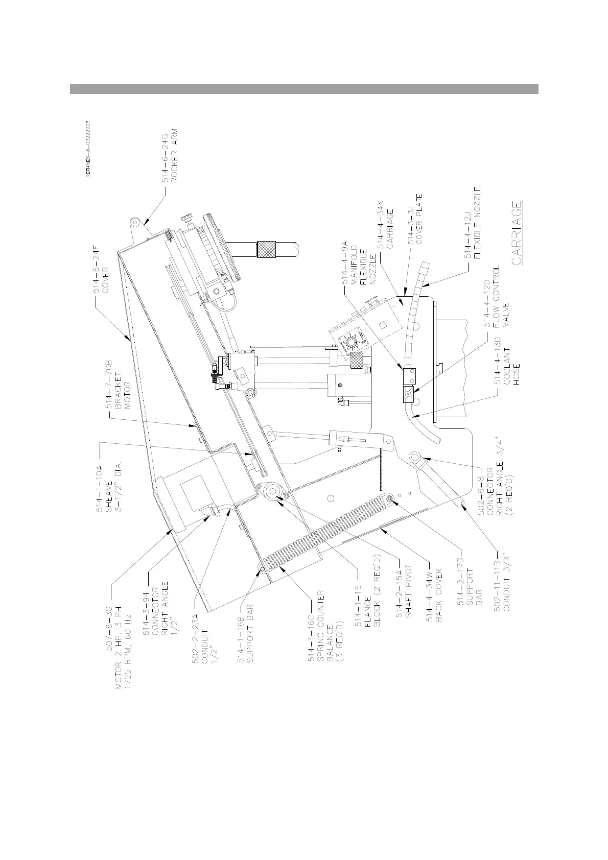
Rottler HP6A - Carriage

Default Icon
150 pages
Print Icon
To Next Page IconTo Next Page
To Next Page IconTo Next Page
To Previous Page IconTo Previous Page
To Previous Page IconTo Previous Page
Loading...
Machine Parts
6-12
P6A Manual
Carriage:

Table of Contents