EasyManua.ls Logo

samhydraulik HCV - 8.3 Hydraulic Zero Setting for HI Control (Hydraulik); 8.4 Hydraulic Zero Setting for HE Control (Electronic)

samhydraulik HCV
58 pages
Print Icon
To Next Page IconTo Next Page
To Next Page IconTo Next Page
To Previous Page IconTo Previous Page
To Previous Page IconTo Previous Page
Loading...
30
8. SMONTAGGIO SOSTITUZIONE REGOLATORI
8. CONTROLS DISASSEMBLY REPLACEMENT
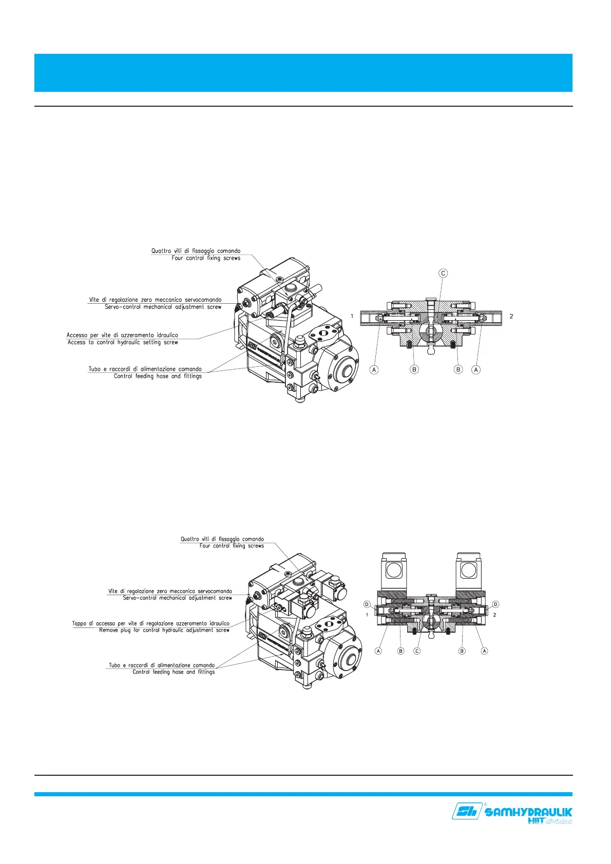
8.3 AZZERAMENTO IDRAULICO DEL COMANDO “HI”
(IDRAULICO)
Utilizzando una chiave a tubo ed un cacciavite, allentare
i controdadi (A) e registrare le viti (B) sino a portare in
azzeramento il pistoncino (C), verificando che la mandata
della pompa sia nulla e che non ci sia pressione di pilotaggio
sulle bocche “1” e “2”. E’ molto importante che non ci sia
gioco tra le viti (B) ed il pistoncino (C) altrimenti
l’azzeramento sarebbe instabile.
8.4 AZZERAMENTO IDRAULICO DEL COMANDO “HE”
(ELETTRONICO)
Dopo avere tolto i tappi (D) procedere all’azzeramento,
senza eccitare i solenoidi, come per il comando “HI”.
8.3 HYDRAULIC ZERO SETTING FOR “HI” CONTROL
(HYDRAULIK)
Using a socket spanner and a screwdriver, unscrew check
nut (A), adjust screws (B) until piston (C) is brought to zero
setting, that means zero flow. Check also that no pilot
pressure is on ports “1” and “2” . Take care to eliminate
the side end between screw (B) and piston (C): otherwise
the adjustment would be unstable.
8.4 HYDRAULIC ZERO SETTING FOR “HE” CONTROL
(ELECTRONIC)
Remove plugs (D ) and proceed as for “HI” control, without
operating the solenoids.

Related product manuals