EasyManua.ls Logo

samhydraulik HCV - Page 39

samhydraulik HCV
58 pages
Print Icon
To Next Page IconTo Next Page
To Next Page IconTo Next Page
To Previous Page IconTo Previous Page
To Previous Page IconTo Previous Page
Loading...
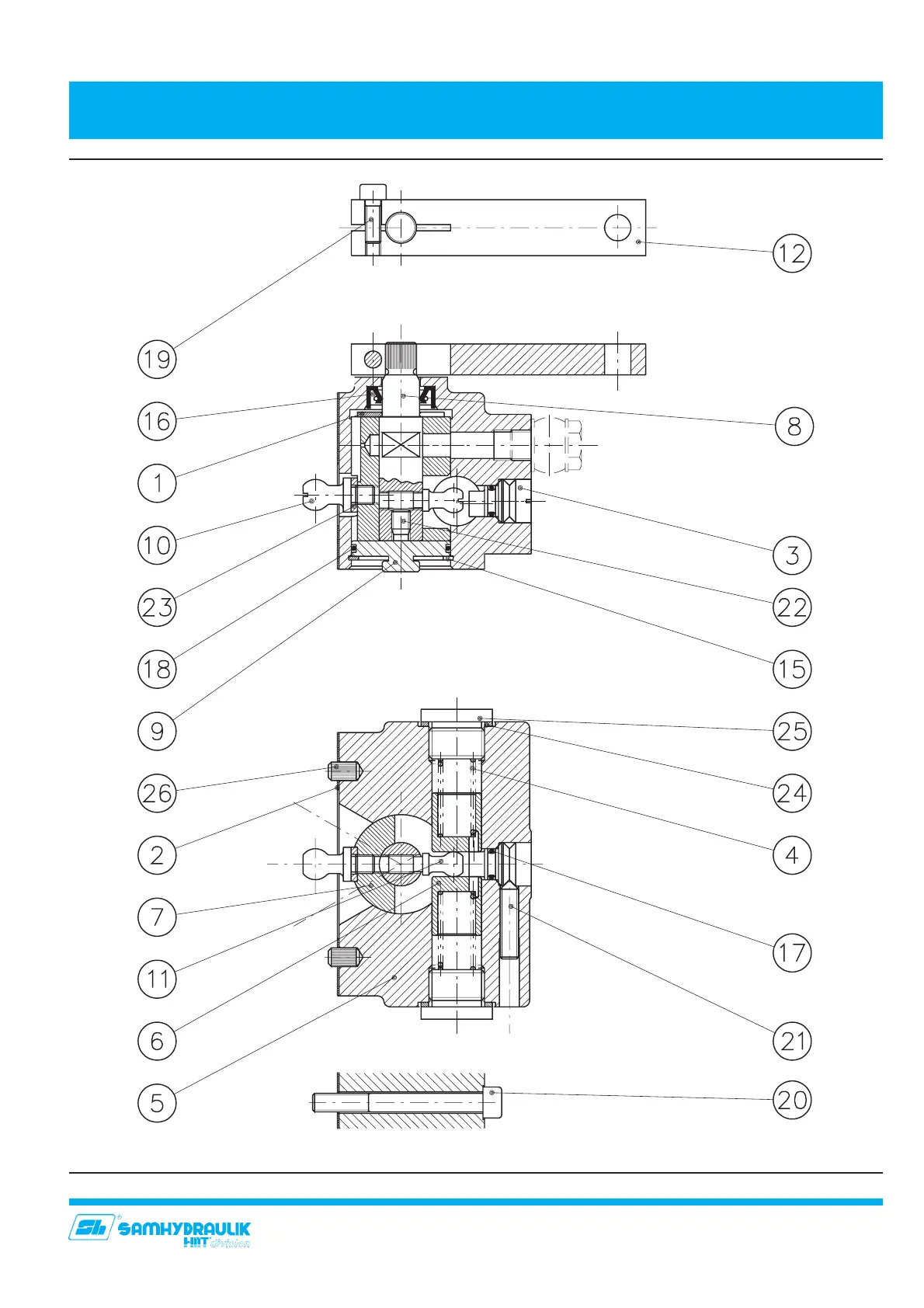
9.4 SEZIONATO REGOLATORE HL
9.4 HL CONTROL CUTAWAY DRAWING
39

Related product manuals