EasyManua.ls Logo

Sanyo SUPER BL PY - Page 221

Sanyo SUPER BL PY
354 pages
Print Icon
To Next Page IconTo Next Page
To Next Page IconTo Next Page
To Previous Page IconTo Previous Page
To Previous Page IconTo Previous Page
Loading...
9. SPECIFICATIONS
939
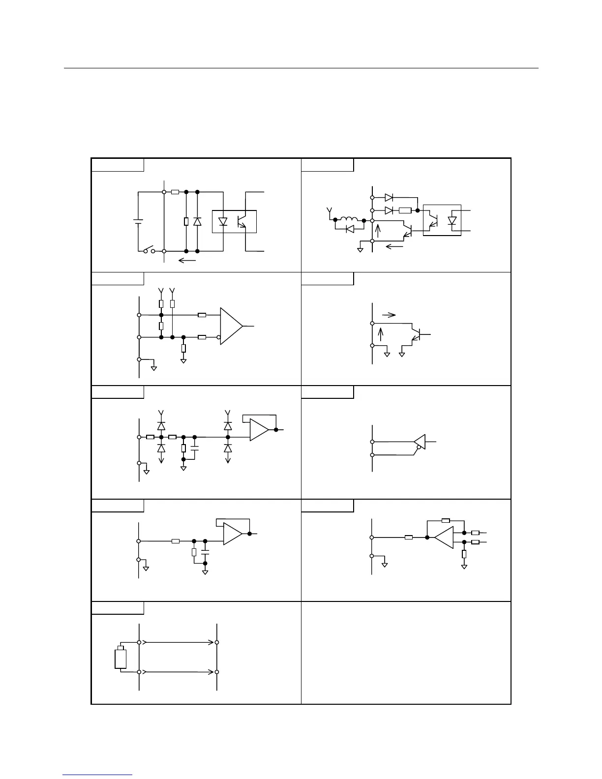
(4) General specifications of CN1 input/output signals
This section explains the general specifications of CN1 input/output signals of the position control type.
Fig. 9-20 shows the circuit types of CN1 input/output signals, and Tables 9-8 and 9-9 describe the
general specifications.
Type 1
Type 6
Type 2
Type 7
Type 3
Type 8
Type 4
Type 9
Type 5
Fig. 9-20
26LS31 or
equivalent
0.01μF
6.8K
3.3K
SG
SG
-
+
3.3K
1.8K 5.75K
0.047μF
-5V
SG
SG
5V
-
+
5V
-5V
5V to
24VDC
5mA
3.9K
2.2K
26LS32 or
equivalent
100Ω
100Ω
SG
SG
1K
390
5V 5V
1.5K1K
1KΩ
SG
SG
-
+
1
2
+
-
max50mA(12 to 24V)
max10mA(5V)
+E
12V to 24V
Regulator
5V
max
30V
I O
COM
max
30V
max10mA
SG SG

Table of Contents

Related product manuals