EasyManua.ls Logo

Seca 644 - Menu Structure

Seca 644
Print Icon
To Next Page IconTo Next Page
To Next Page IconTo Next Page
To Previous Page IconTo Previous Page
To Previous Page IconTo Previous Page
Loading...
Overview • 77
English
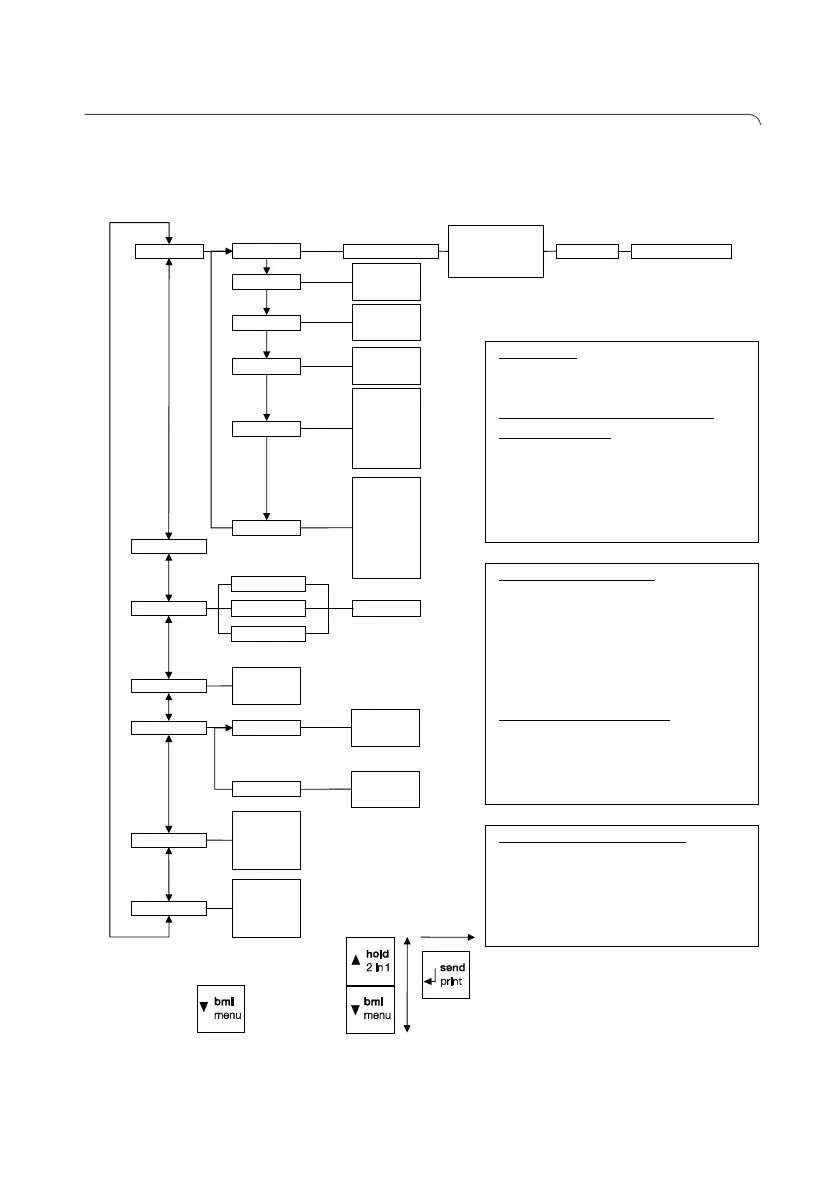
4.5 Menu structure
Other functions are available to you in the menu for the
device. This enables you to configure the device per-
fectly to suit your needs (details from page 97).
Reg. Devices (Mo)*
Channel 1 (C1)*
Channel 2 (C2)
Channel 3 (C3)
StoprF Group (ID)*Learn
Autosend
on
off
Print
H
M
HM
Man
Time
Year
Month
Day
Hour
Minute
Reset
Autohold
on
off
Fil
0
1
2
Beep
on
off
on
off
Press
Hold
Unit
kg
lbs
sts
Erkannte Gete (Mo):
- 1: Personenwaage
- 2: Längenmessstab
- 3: Funkdrucker
- 4: PC mit USB-Funkmodul
- 7: Babywaage
Raum (ID):
Max. drei seca Funkräume: 0, 1, 2
Maximal-Konfiguration pro Funkraum:
- 1 Babywaage
- 1 Personenwaage
- 1 Längenmessstab
- 1 Funkdrucker
- 1 PC mit USB-Funkmodul
Kanal (C1, C2, C3):
-Drei Kale pro Funkraum ( insg. 9 Kanäle)
-Kanalzahlen: 0-99
-Jede Kanalzahl für nur jeweils einen Kanal
-Empfohlener Abstand: 30
Beispiel-Konfiguration:
- Raum 0: C1__0, C2_30, C3_60
- Raum 1: C1_10, C2_40, C3_70
- Raum 2: C1_20, C2_50, C3_80
(Hinweis: Im Display keine Leerzeichen)
Send
on
off
*Funknetzwerk seca 36 Wireless:
AClear
on
off
Sto 2 (Weight)
PT
Net Weight
Sto 1 (Weight)
Sto 3 (Weight)
Me aufrufen:
Navigation:
Navigation:
Call up menu:
*seca 360° wireless network:
Group (ID)
Max. three seca wireless groups: 0,
1, 2
Maximum configuration per
wireless group
- 1 baby scale
- 1 personal scale
- 1 length measuring rod
- 1 wireless printer
- 1 PC with USB wireless adapter
Channel (C1, C2, C3)
- Three channels per wireless
group (total 9 channels)
- Channel numbers: 0 - 99
- Only use each channel number
once
- Recommended spacing: 30
Example configuration
- Group 0: C1 0, C2 30, C3 60
- Group 1: C1 10, C2 40, C3 70
- Group 2: C1 20, C2 50, C3 80
(Note: no spaces in display)
Registered devices (
MO)
- 1: Personal scale
- 2: Length measuring rod
- 3: Wireless printer
- 4: PC with USB wireless adapter
- 7: Baby scale

Table of Contents

Other manuals for Seca 644

Related product manuals