EasyManua.ls Logo

Sega Grid 42 - Page 148

Sega Grid 42
148 pages
Print Icon
To Previous Page IconTo Previous Page
To Previous Page IconTo Previous Page
Loading...
138
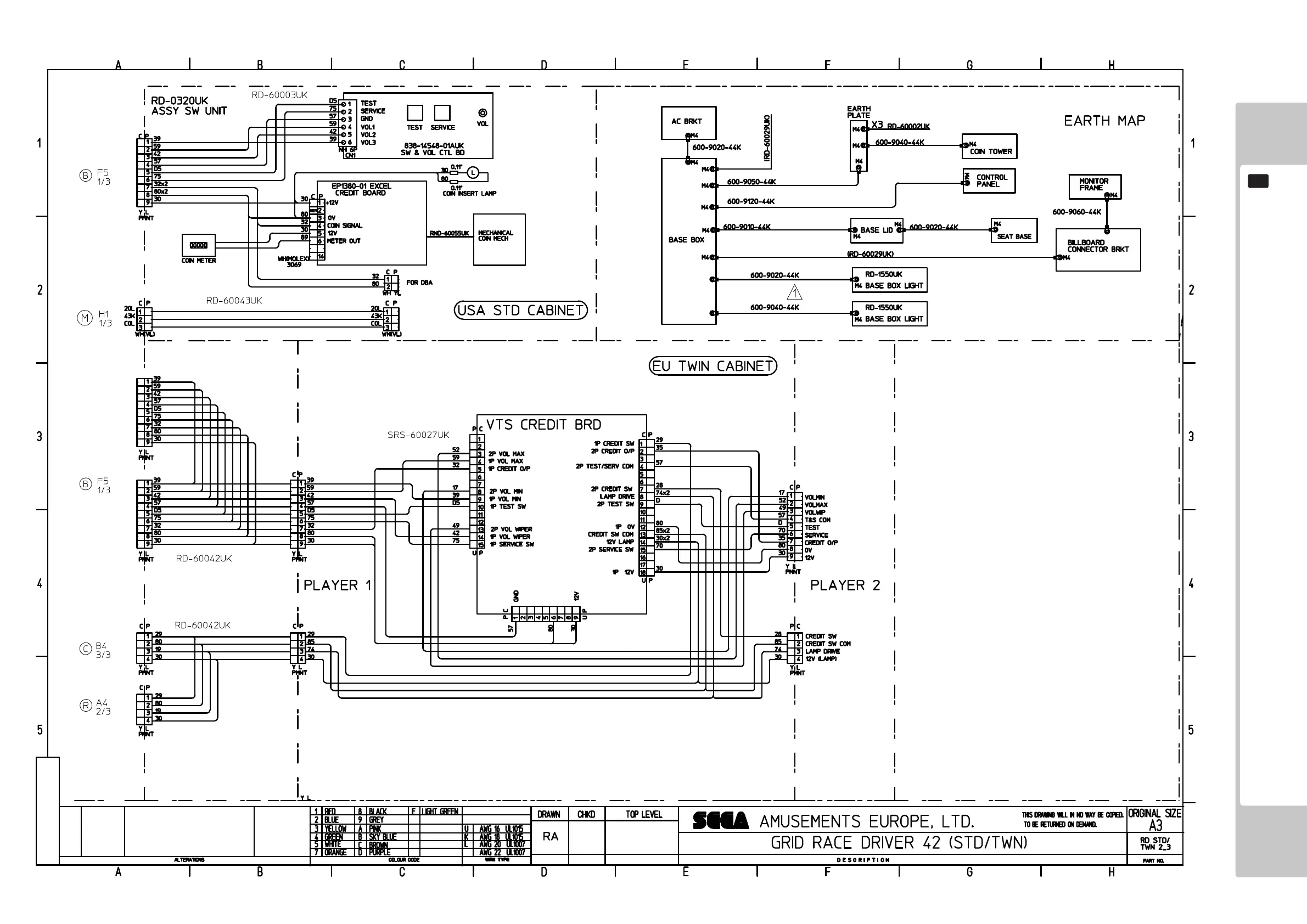
WIRING DIAGRAMS
21
(D-3/3)

Table of Contents

Related product manuals