EasyManua.ls Logo

Sensor SMT-200 - Schematics; Geophone Tester

Sensor SMT-200
152 pages
Print Icon
To Next Page IconTo Next Page
To Next Page IconTo Next Page
To Previous Page IconTo Previous Page
To Previous Page IconTo Previous Page
Loading...
Io
SENSOR
Appendix D Schematics & Layouts
SMT-200 Operations and Technical Manual 2.00/R1
115
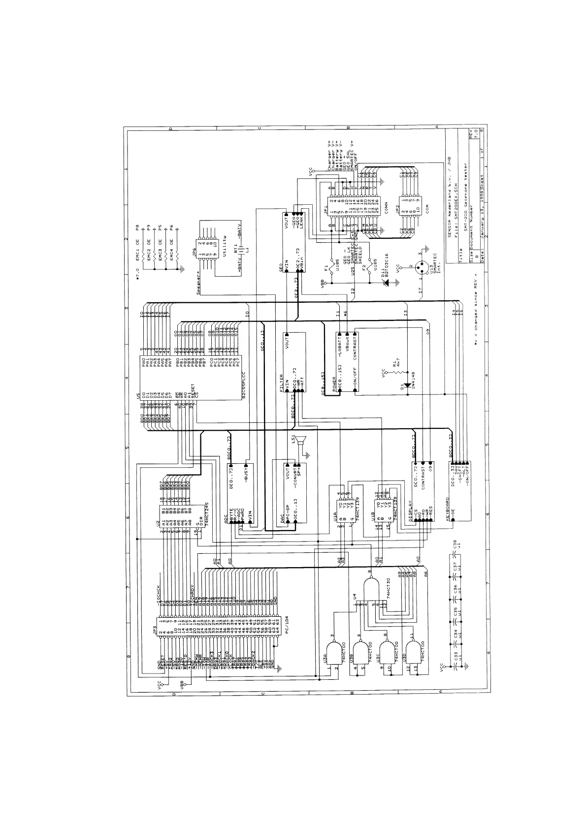
D.1 SMT-200 Schematics
D.1.1 SMT-200 Geophone Tester

Table of Contents