EasyManua.ls Logo

SGM LEKTRA METER - 4-DIMENSIONS; 4.1 MECHANICAL DIMENSIONS

SGM LEKTRA METER
40 pages
Print Icon
To Next Page IconTo Next Page
To Next Page IconTo Next Page
To Previous Page IconTo Previous Page
To Previous Page IconTo Previous Page
Loading...
Page 6 of 40
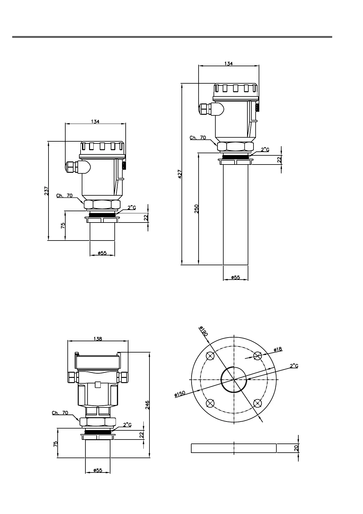
4-DIMENSIONS
METER - dimensions
4.1 MECHANICAL DIMENSIONS

Table of Contents