EasyManua.ls Logo

Sharp UX-P200 - Page 62

Sharp UX-P200
92 pages
Print Icon
To Next Page IconTo Next Page
To Next Page IconTo Next Page
To Previous Page IconTo Previous Page
To Previous Page IconTo Previous Page
Loading...
UX-P100U
UX-P200U
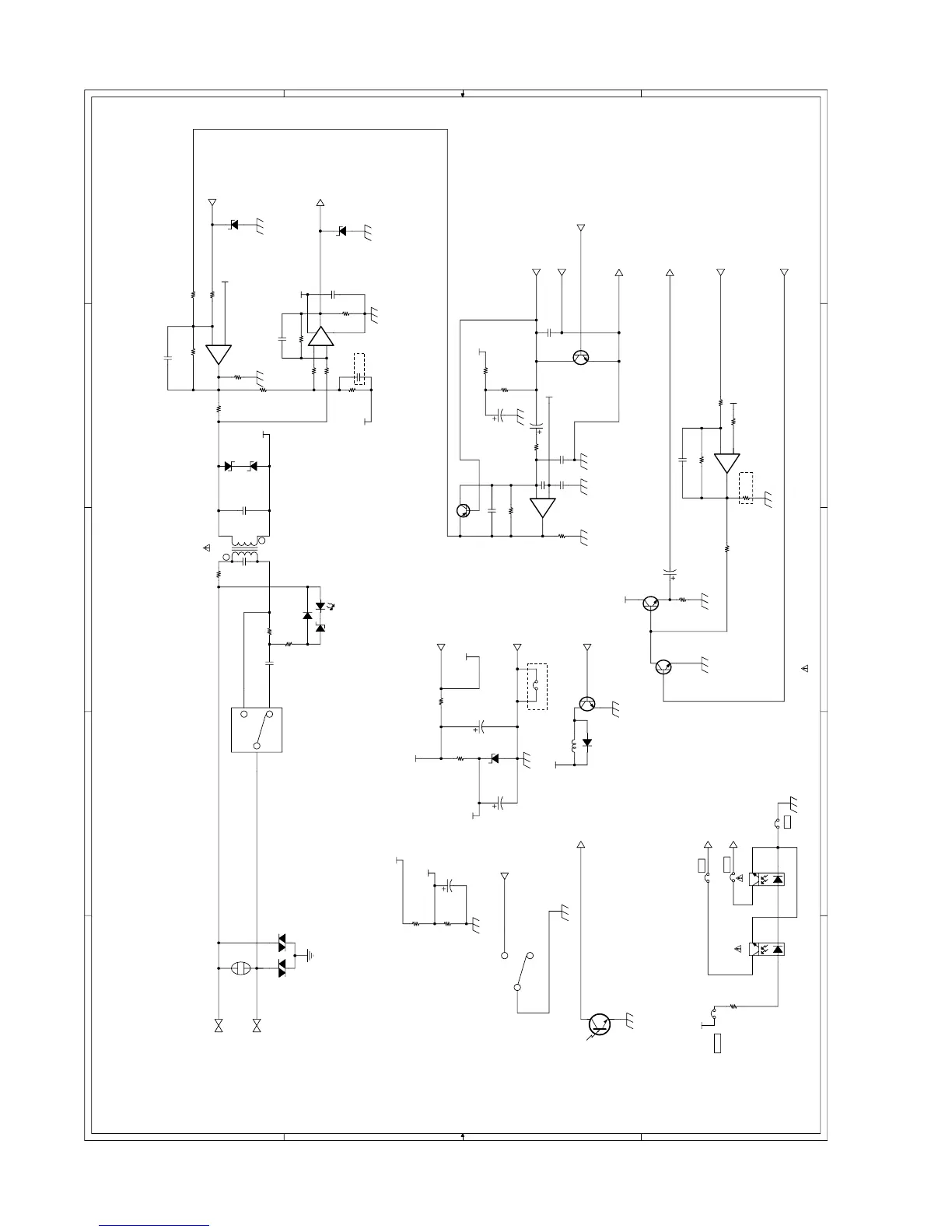
[2] TEL/LIU PWB circuit
1/1
5
5
4
4
3
3
2
2
1
1
D D
C C
B B
A A
R12
13K
ZD4
HZ2C1
C4
2.2/50
SW1
HOOK SW
R22
620
CML
OUAZ-SH-124DZ
R26
47K
C15
220P
C 19
0.82
Q5
KRA102M
TP1
PC1
TLP521-BL
ZD3
MTZJ10B
TP2
C2
2200P
R25
3.3K
C14
0.022
C3
1000P
R17
82K
R18
100
Q2
KRC106M
R4
1.5K
R13
8.2K
PH1
PIN
R1
1K
IC1
KIA324P
+
C9
1000P
CML
TP4
PC1
TLP521-BL
IC1
KIA324P
+
Q3
KTC3198GR
C8
220P
ERZVA5D471
D1
1SS133
R28
22K(1/2W)
ERZVA5D471
TP3
IC1
KIA324P
+
11
4
Q4
KRC106M
N.M.
PH2
FILM
R11
3.3K
IC1
KIA324P
+
C18
0.01
C16
N.M.
R19
3.3K
R20
56K
R30
1.2K(1W)
C11
22/50
C12
100/50
R21
39K
R23
JP
R9
3.6K
C7
1000P
R16
150
R15
2K
T1
i2171
R2
27K
R3
3.3K
C13
220P
R7
1K
R6
3.3K
C17
1000P
C10
1000P
R5
3.3K
D2
1SS133
R24
16K
Q1
KRC106M
AR1
RA-391P-V6-2
C5
22/50
C6
4.7/50
R27
22K
ZD2
MTZJ5.6B
C1
10/50
ZD6
HZ27-A
R14
N.M.
R29
51(1W)
ZD1
MTZJ10B
R10
13K
R8
220K
ZD5
HZ2C1
DG
DG
DG
DG
DG
+24VA
DG
Vref A
DG
+24VA
DG
Vref A
Vref B
+24VL
DG
NOTE: These marks are all safety-cirtical parts.
Vref B
DG
DG
+24VL
Vref A
DG
DG
ARG
DG
DG
Vref A
Vref A
+24VA
Vref A
DG
DG
+24VL
Vref A
CNLIUA-8
CNLIUA-7
MJTEL-4
MJTEL-1
MJTEL-3
MJTEL-2
CNLIUA-5
CNLIUA-6
CNLIUA-1
CNLIUA-10
CNLIUA-2
CNLIUA-11
CNLIUA-3
MJ1-4
MJ1-3
CNLIUA-12
CNLIUA-9
CNLIUA-4
2
1
C
M
B
21
21
43
8
10
9
43
7
5
6
12
12
1
2
3
2
1
4
3
14
12
13
Ci
+24VL
TX+
TX
RX
RX+
TELIN
TEL MUTE
PIN
DG
FILM
+24VL
DG
PIN
FILM
SG206S
SG206S
Ring
VA2
TiP
VA1
Rxin
Txout
RHS-
CML
JP
MICMUTE
DG1
DG2
6 9