EasyManua.ls Logo

Shibaura SX21 - Page 97

Shibaura SX21
314 pages
Print Icon
To Next Page IconTo Next Page
To Next Page IconTo Next Page
To Previous Page IconTo Previous Page
To Previous Page IconTo Previous Page
Loading...
5 - Front wheel drive
96
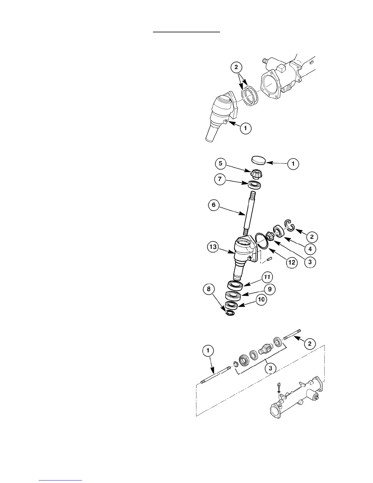
4) Idler Case
1. Remove the three bolts that attach the idler case, 1,
to the axle.
Carefully remove the idler case from the end of the
axle, make note of shims, 2, removed from the
differential side of the axle.
5) Idler Case Disassembly
1. Remove upper seal cap, 1, and clip, 2, from the
idler case.
2. Remove the bearing, 4, and bevel gear, 3, from the
idler case.
3. Remove the bevel gear, 5, and bearing, 7, from the
top of the idler case.
4. Remove the clip, 8, from the bottom of the idler
case, 13.
5. Remove the bearings, 9, 10, two piece seal, 11, and
O-ring, 12.
6) Differential Assembly
1. Remove the axle shafts, 1 and 2, from both ends of
the axle.
2. Remove the differential assembly, 3, from the axle
housing.
3. Clean all parts with a suitable solvent.
9
10
11

Table of Contents

Other manuals for Shibaura SX21

Related product manuals