EasyManua.ls Logo

Shini STM-607 - Electrical Diagrams; Main Circuit (STM-607;910-D)(400 V)

Shini STM-607
108 pages
Print Icon
To Next Page IconTo Next Page
To Next Page IconTo Next Page
To Previous Page IconTo Previous Page
To Previous Page IconTo Previous Page
Loading...
34(108)
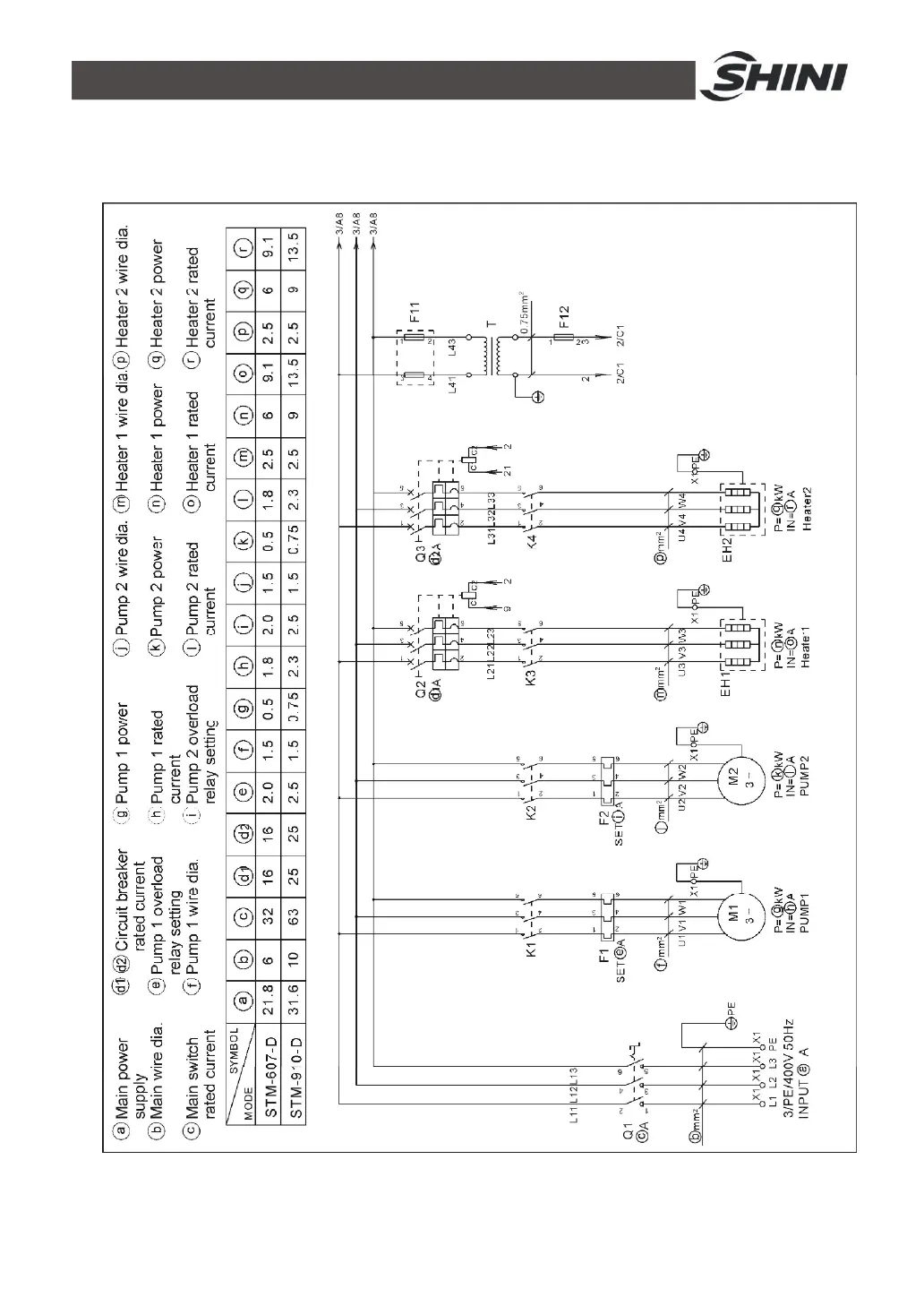
2.3 Electrical Diagram
2.3.1 Main Circuit (STM-607/910-D)(400V)
Picture 2-7Main Circuit (STM-607/910-D) (400V)

Table of Contents

Related product manuals