EasyManua.ls Logo

Shini STM-607 - Control Circuit (STM-607;910-D) (230 V)

Shini STM-607
108 pages
Print Icon
To Next Page IconTo Next Page
To Next Page IconTo Next Page
To Previous Page IconTo Previous Page
To Previous Page IconTo Previous Page
Loading...
56(108)
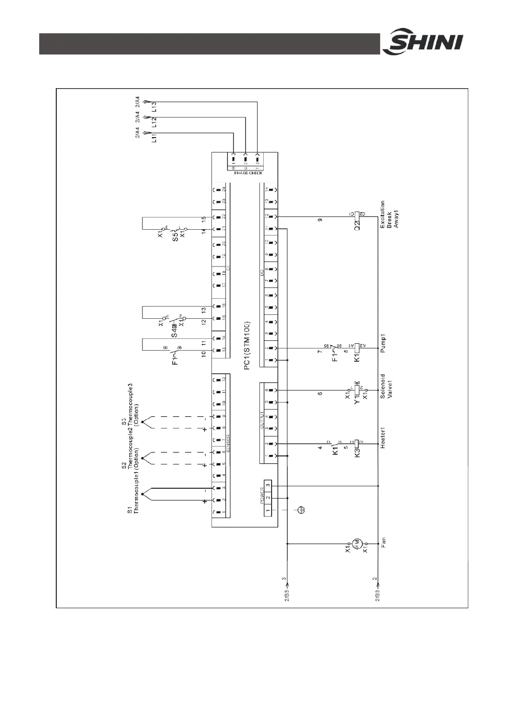
2.3.19 Control Circuit (STM-607/910-D) (230V)
Picture 2-22Control Circuit 1 (STM-607/910-D) (230V)

Table of Contents

Related product manuals