EasyManua.ls Logo

SIEB & MEYER SD2M - SSI Encoder; Hall Sensor 12 V

SIEB & MEYER SD2M
196 pages
To Next Page IconTo Next Page
To Next Page IconTo Next Page
To Previous Page IconTo Previous Page
To Previous Page IconTo Previous Page
Loading...
Connection Examples
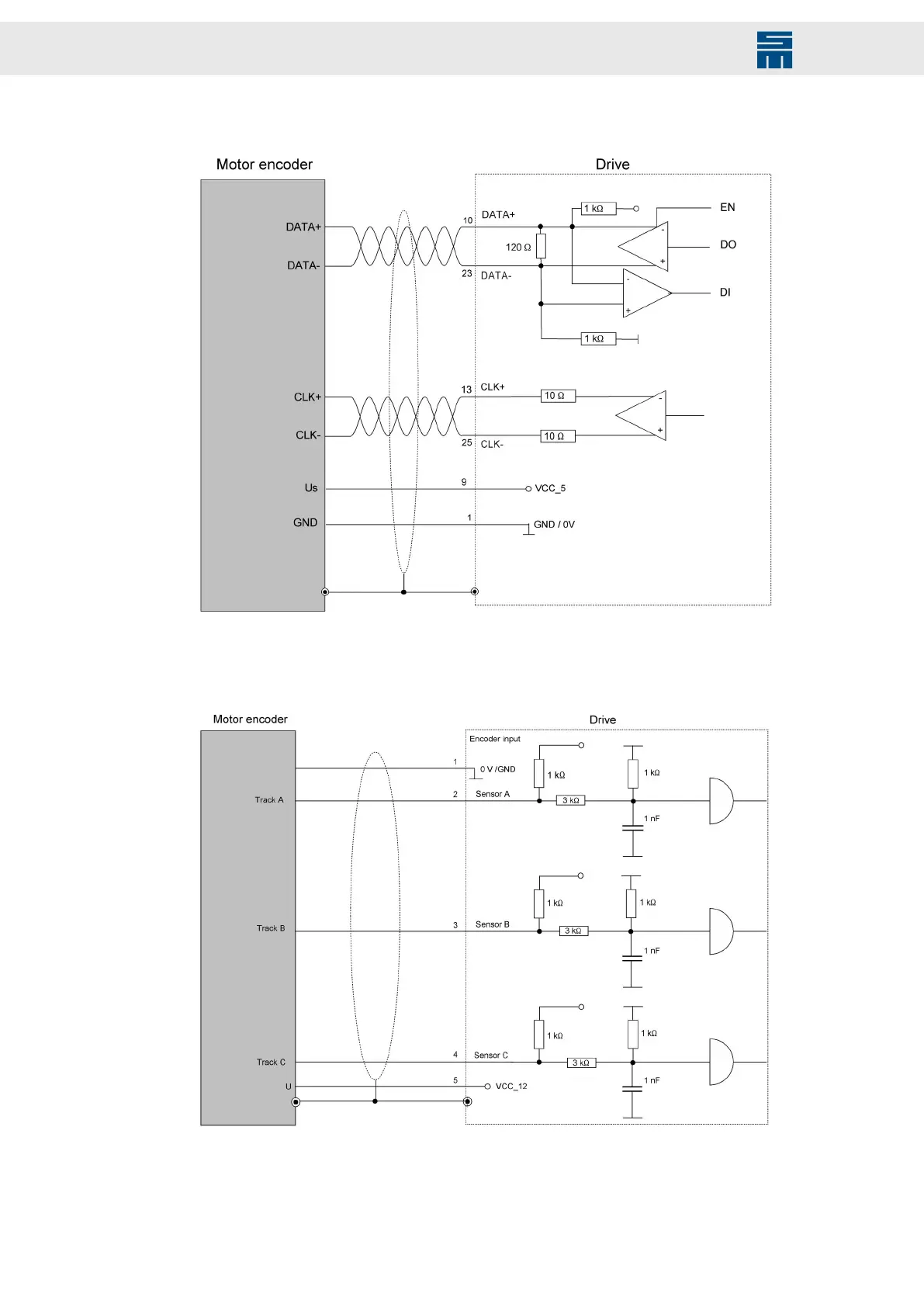
13.7.5 SSI Encoder
13.7.6 Hall Sensor 12 V
142 Drive System SD2 - Hardware Description

Table of Contents

Other manuals for SIEB & MEYER SD2M

Related product manuals