EasyManua.ls Logo

Siemens LMV3 series - Modulating Gas - Pilot Ignition 1 (Pilot between V1 and V2)

Siemens LMV3 series
224 pages
Print Icon
To Next Page IconTo Next Page
To Next Page IconTo Next Page
To Previous Page IconTo Previous Page
To Previous Page IconTo Previous Page
Loading...
LMV Series Technical Instructions
Document No. LV3-1000
SCC Inc. Page 7 Section 4
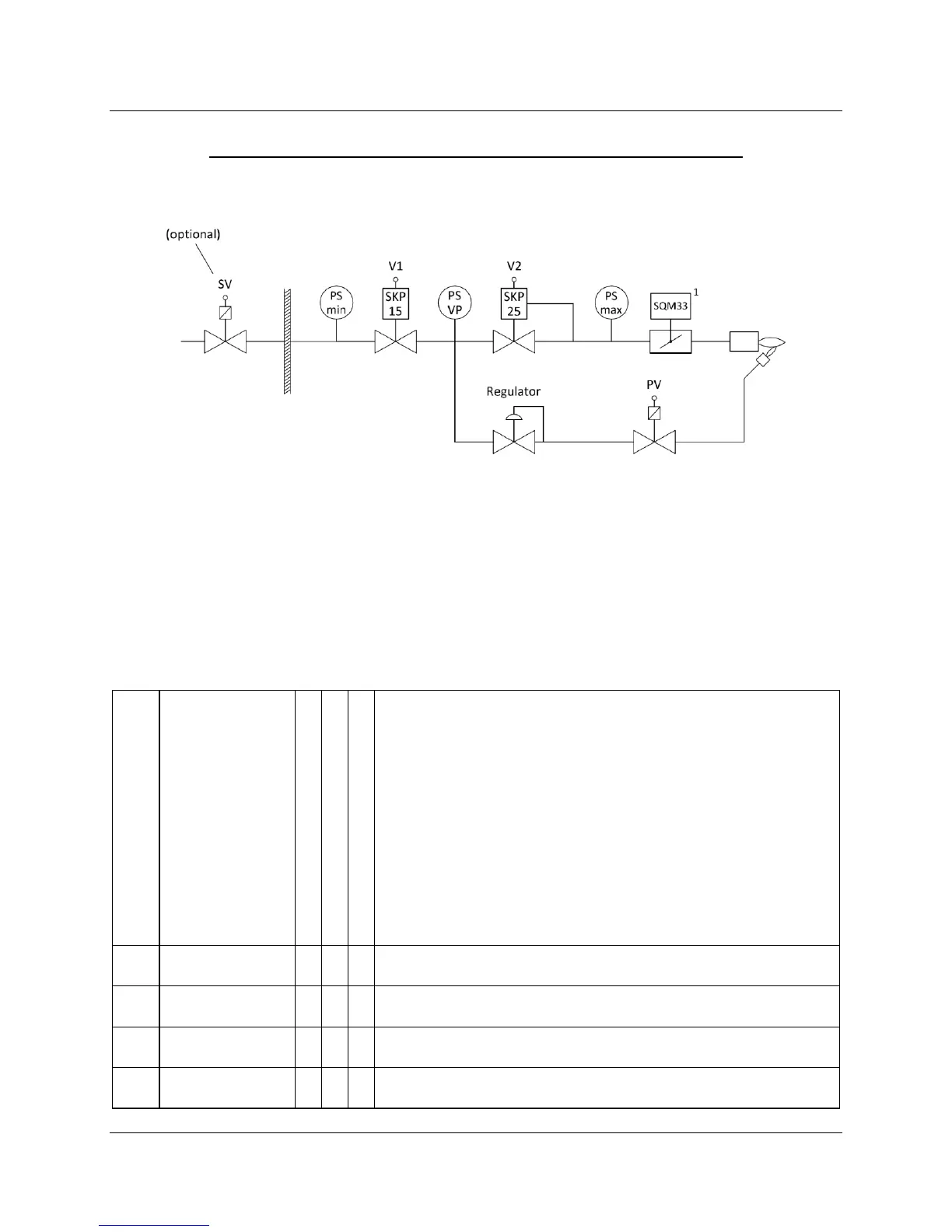
Modulating Gas - Pilot Ignition 1 (Pilot between V1 and V2)
(Fuel Train Options 2, 8, 15, 20)
Legend:
SV
=
Safety valve (optional, outside building)
V1
=
Upstream gas valve (main)
PS
=
Pressure switch
V2
=
Downstream gas valve (main)
VP
=
Valve proving
PV
=
Pilot valve
Notes:
1. Fuel actuator not used with options 8 or 15
2. The SKP25 (on valve V2) is typically replaced by an SKP55/75 for pneumatically linked gas trains
Operating Mode
Parameter 201 (fuel 0) or 301 (fuel 1)
Fuel Train
Fuel Actuator
Air Actuator
VSD Speed Feedback (if activated)
Description
2 Gp1 mod
Modulating gas, pilot ignition 1 (pilot between V1 and V2), electronically
linked fuel-to-air ratio
8 Gp1 mod pneu
Modulating gas, pilot ignition 1 (pilot between V1 and V2), pneumatically
linked fuel-to-air ratio
15 Gp1 mod pneu
Modulating gas, pilot ignition 1 (pilot between V1 and V2), pneumatically
linked fuel-to-air ratio, no actuators
20 Gp1 mod
Modulating gas, pilot ignition 1 (pilot between V1 and V2), electronically
linked fuel-to-air ratio

Table of Contents

Other manuals for Siemens LMV3 series

Related product manuals